Can ship immediately
Due to market price fluctuations,if you need to purchase or consult the price.You can contact us or emial to us: brenda@hongda-ic.com
1. Feature
1. 0.5mm height is very suitable for high-density circuit boards
2. Ceramic package provides excellent environmental and heat resistance
3. Extended temperature for industrial applications -40°C to +85°C
2. Application areas
1. Smart display credit card
2. Extensive communication and measurement equipment
3. Commercial and industrial applications
4. Wireless communication
5. PDA and handheld computer pilot
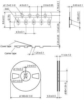
3. Product Size

4. TAPE & REEL
