Can ship immediately
Due to market price fluctuations,if you need to purchase or consult the price.You can contact us or emial to us: brenda@hongda-ic.com
1. Description
ADS1294, ADS1296, ADS1298 (ADS129x) and ADS1294R, ADS1296R ADS1298R (ADS129xR) is A multi-channel, simultaneous sampling series, 24-bit delta-sigma (ΔΣ) analog-to-digital converter (ADC) Built-in programmable gain amplifier (PGA), internal reference voltage source and on-board oscillator. ADS1298IPAG integrates all Functions commonly required in medical treatment Electrocardiogram (ECG) and EEG (EEG) application. Highly integrated And excellent performance, ADS1298IPAG and ADS1298IPAGR supports scalable development Medical instrument system Reduce size, power consumption and overall cost. ADS129x and ADS129xR have flexible inputs The multiplexer (mux) of each channel can be Independently connected to internally generated Used for testing, temperature and eliciting detection signals. In addition, any configuration of the input channel can be
Select a derivative for the right leg drive (RLD) output signal. ADS129x and ADS129xR work Data rates up to 32 kSPS, allowing Implement software pace detection. lead- Can perform shutdown detection internally Devices with pull-up or pull-down resistors, or Excitation current sink or source. triple Amplifier produces Wilson Central Terminal (WCT) And the required Goldberger Central Terminal (GCT) For standard 12-lead ECG. ADS129xR version Includes a fully integrated respiratory impedance Measurement function. Multiple ADS129x and ADS129xR devices can be cascaded in high channels The system is counted in a daisy chain configuration. Package options include a slim 8mm x 8mm, c 64-ball BGA and TQFP-64. ADS129x BGA Version is specified within the commercial temperature range The range is 0°C to 70°C. ADS129xR BGA and ADS129x TQFP version is in The industrial temperature range is –40°C to +85°C.
2. Features
1. Eight Low-Noise PGAs and Eight High-ResolutionADCs (ADS1298, ADS1298R)
2. Low Power: 0.75 mW/channel
3. Input-Referred Noise: 4 μVPP (150 Hz BW, G = 6)
4. Input Bias Current: 200 pA
5. Data Rate: 250 SPS to 32 kSPS
6. CMRR: –115 dB
7. Programmable Gain: 1, 2, 3, 4, 6, 8, or 12
8. Supports systems meeting AAMI EC11, EC13,IEC60601-1, IEC60601-2-27, and IEC60601-2-51Standards
9. Unipolar or Bipolar Supplies:
– AVDD = 2.7 V to 5.25 V
– DVDD = 1.65 V to 3.6 V
10. Built-In Right Leg Drive Amplifier, Lead-Off Detection, Wilson Center Terminal, Pace Detection, Test Signals
11. Integrated Respiration Impedance Measurement
12. Digital Pace Detection Capability
13. Built-In Oscillator and Reference
14. SPI™-Compatible Serial Interface
3. Applications
1. Medical Instrumentation (ECG, EMG, and EEG): Patient Monitoring; Holter, Event, Stress, and Vital Signs Including ECG, AED, Telemedicine Bispectral Index (BIS), Evoked Audio Potential (EAP), Sleep Study Monitor
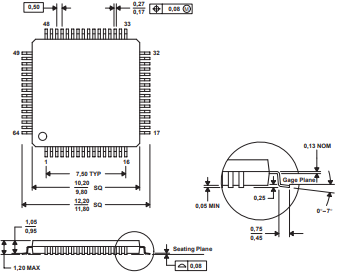
4. Pin Configuration

5. Packaging Information
