Can ship immediately
Due to market price fluctuations,if you need to purchase or consult the price.You can contact us or emial to us: brenda@hongda-ic.com
1. Description
The Atmel AVR core combines a rich instruction set with 32 general-purpose working registers. All 32 The register is directly connected to the arithmetic logic unit (ALU), allowing two independent registers It can be accessed in one instruction executed in one clock cycle. The resulting architecture is more code Efficient, and throughput is ten times faster than traditional CISC microcontrollers. ATMEGA128A-AU provides the following functions: 128Kb of in-system programmable flash memory, with Read and write function, 4KB EEPROM, 4KB SRAM, 53 general I/O lines, 32 General working register, real-time counter (RTC), four flexible timers/counters with comparison function Mode and PWM, 2 USARTs, a byte-oriented two-wire serial interface, an 8-channel, 10-bit ADC, with Optional differential input stage with programmable gain, programmable watchdog timer with internal functions Oscillator, an SPI serial port, IEEE standard. JTAG test interface conforming to 1149.1, also used for access On-chip debugging system and programming, and six software-selectable power-saving modes. Idle The mode stops the CPU, while allowing SRAM, timer/counter, SPI port and interrupt system Continue to operate. The power-down mode saves the register content, but freezes the oscillator, Disable all other chip functions until the next interrupt or hardware reset. In energy-saving mode, Asynchronous timers continue to run, allowing users to maintain the timer base while the rest The device is sleeping. ADC noise reduction mode can stop the CPU and all I/O modules except Asynchronous timer and ADC to minimize switching noise during ADC conversion. In standby mode, While the rest of the device is in a sleep state, the crystal/resonator oscillator is running. This allows very fast Start-up and low power consumption. In extended standby mode, the main oscillator and The asynchronous timer continues to run. The device is manufactured using Atmel's high-density non-volatile storage technology. On-chip ISP Flash memory allows program memory to be reprogrammed in the system through the SPI serial interface, Traditional non-volatile memory programmer, or through the on-chip startup program running on the AVR core. The bootloader can use any interface to download the application in the application Flash memory. When the "application flash" section is running, the software in the "boot flash" section will continue to run. Update to provide a real "write and read" operation. By integrating 8-bit RISC CPU with the system ATMEGA128A-AU is a self-programmable flash memory on a single chip, a powerful microcontroller, Provide highly flexible and cost-effective solutions for many embedded control applications The complete program and system development tool suite can support ATMEGA128A-AU, including: C compiler, macro assembler, program debugger/emulator, in-circuit emulator and evaluation kit.
2. Features
1. High-performance, Low-power Atmel AVR 8-bit Microcontroller
2. Advanced RISC Architecture
– 133 Powerful Instructions - Most Single-clock Cycle Execution
– 32 × 8 General Purpose Working Registers + Peripheral Control Registers
– Fully Static Operation
– Up to 16MIPS Throughput at 16MHz
– On-chip 2-cycle Multiplier
3. High Endurance Non-volatile Memory segments
– 128Kbytes of In-System Self-programmable Flash program memory
– 4Kbytes EEPROM
– 4Kbytes Internal SRAM
– Write/Erase cycles: 10,000 Flash/100,000 EEPROM
– Data retention: 20 years at 85°C/100 years at 25°C(1)
– Optional Boot Code Section with Independent Lock Bits
4. In-System Programming by On-chip Boot Program
5. True Read-While-Write Operation
– Up to 64 Kbytes Optional External Memory Space
– Programming Lock for Software Security
– SPI Interface for In-System Programming
6. JTAG (IEEE std. 1149.1 Compliant) Interface
– Boundary-scan Capabilities According to the JTAG Standard
– Extensive On-chip Debug Support
– Programming of Flash, EEPROM, Fuses and Lock Bits through the JTAG Interface
7. Atmel QTouch® library support
– Capacitive touch buttons, sliders and wheels
– Atmel QTouch and QMatrix acquisition
– Up to 64 sense channels
8. Peripheral Features
– Two 8-bit Timer/Counters with Separate Prescalers and Compare Modes
– Two Expanded 16-bit Timer/Counters with Separate Prescaler, Compare Mode and Capture Mode
– Real Time Counter with Separate Oscillator
– Two 8-bit PWM Channels
– 6 PWM Channels with Programmable Resolution from 2 to 16 Bits
– Output Compare Modulator
– 8-channel, 10-bit ADC
9. 8 Single-ended Channels
10. 7 Differential Channels
11. 2 Differential Channels with Programmable Gain at 1x, 10x, or 200x
– Byte-oriented Two-wire Serial Interface
– Dual Programmable Serial USARTs
– Master/Slave SPI Serial Interface
– Programmable Watchdog Timer with On-chip Oscillator
– On-chip Analog Comparator
12. Special Microcontroller Features
– Power-on Reset and Programmable Brown-out Detection
– Internal Calibrated RC Oscillator
– External and Internal Interrupt Sources
– Six Sleep Modes: Idle, ADC Noise Reduction, Power-save, Power-down, Standby, and Extended Standby
– Software Selectable Clock Frequency
– ATmega103 Compatibility Mode Selected by a Fuse
– Global Pull-up Disable
13. I/O and Packages
– 53 Programmable I/O Lines
– 64-lead TQFP and 64-pad QFN/MLF
14. Operating Voltages
– 2.7 - 5.5V
15. Speed Grades
– 0 - 16MHz
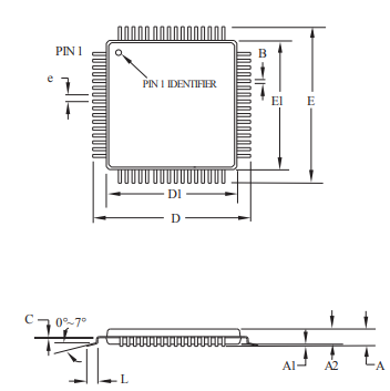
3. Pin Configurations

4. Packaging Information
