Can ship immediately
Due to market price fluctuations,if you need to purchase or consult the price.You can contact us or emial to us: brenda@hongda-ic.com
1. Description
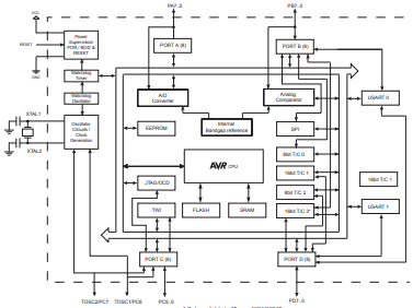
ATmega164A is a low-power CMOS 8-bit microcontroller based on the AVR® enhanced RISC architecture. By executing powerful instructions in a single clock cycle, the ATmega164A achieves throughputs close to 1MIPS per MHz. This empowers system designer to optimize the device for power consumption versus processing speed.

2. Features
1. High Performance, Low Power Atmel®AVR® 8-Bit Microcontroller Family
2. Advanced RISC Architecture
– 131 Powerful Instructions
– Most Single Clock Cycle Execution
– 32 x 8 General Purpose Working Registers
– Fully Static Operation
– Up to 20 MIPS Throughput at 20MHz
– On-chip 2-cycle Multiplier
3. High Endurance Non-volatile Memory Segments
– 16KBytes of In-System Self-Programmable Flash Program Memory
– 512Bytes EEPROM
– 1KBytes Internal SRAM
– Write/Erase Cycles: 10,000 Flash/100,000 EEPROM
– Data Retention: 20 Years at 85°C/100 Years at 25°C(1)
– Optional Boot Code Section with Independent Lock Bits
4. In-System Programming by On-chip Boot Program
5. True Read-While-Write Operation
– Programming Lock for Software Security
6. Atmel QTouch® Library Support
– Capacitive Touch Buttons, Sliders and Wheels
– QTouch and QMatrix acquisition
– Up to 64 Sense Channels Atmel-42712C
7. JTAG (IEEE std. 1149.1 Compliant) Interface
– Boundary-scan Capabilities According to the JTAG Standard
– Extensive On-chip Debug Support
– Programming of Flash, EEPROM, Fuses, and Lock Bits through the JTAG Interface
8. Peripheral Features
– Two 8-bit Timer/Counters with Separate Prescaler and Compare Mode
– One 16-bit Timer/Counter with Separate Prescaler, Compare Mode, and Capture Mode
– Real Time Counter with Separate Oscillator
– Six PWM Channels
– 8-channel 10-bit ADC
9. Differential Mode with Selectable Gain at 1×, 10× or 200×
– One Byte-oriented 2-wire Serial Interface (Philips I2C compatible)
– Two Programmable Serial USART
– One Master/Slave SPI Serial Interface
– Programmable Watchdog Timer with Separate On-chip Oscillator
– On-chip Analog Comparator
– Interrupt and Wake-up on Pin Change
10. Special Microcontroller Features
– Power-on Reset and Programmable Brown-out Detection
– Internal Calibrated RC Oscillator
– External and Internal Interrupt Sources
– Six Sleep Modes: Idle, ADC Noise Reduction, Power-save, Power-down, Standby, and Extended Standby
11. I/O and Packages
– 32 Programmable I/O Lines
– 40-pin PDIP
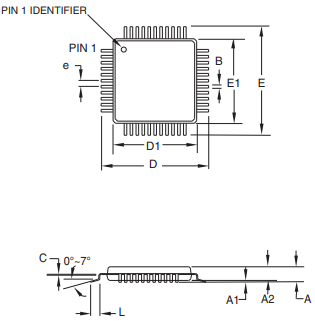
– 44-lead TQFP
– 44-pad VQFN/QFN
– 44-pad DRQFN
– 49-ball VFBGA
12. Operating Voltage:
– 1.8 - 5.5V
13. Speed Grades
– 0 - 4MHz @ 1.8V - 5.5V
– 0 - 10MHz @ 2.7V - 5.5V
– 0 - 20MHz @ 4.5 - 5.5V
14. Power Consumption at 1MHz, 1.8V, 25°C
– Active Mode: 0.4mA
– Power-down Mode: 0.1μA
– Power-save Mode: 0.6μA (Including 32kHz RTC)
3. Pin Configurations

4. Block diagram

5. Packaging information

hot deals
NCV7329D10R2G PIC12F508T-I/SN AD420ANZ-32