Can ship immediately
1. Description
The BD00C0AWFP-CE2 are low-saturation regulators. This series feature variable and fixed voltage output with selectable Shutdown switch (referred to as SW); Vout-3.3V, 5.0V, 8.0V and 9.0V.Five conventional PKGs; TO252-3/5, HRP5 and TO263-3(F)/5 are available. This series has a built-in over-current protection circuit that prevents the destruction of the IC due to output short circuits and a thermal Shutdown circuit that protects the IC from thermal damage due to overloading.
2. Features
1. Output current capability: 1A
2. Output voltage: Variable, 3.3V, 5.0V, 8.0V and 9.0V
3. High output voltage accuracy (Ta=25°C, TO252-3/5, HRP5): ±1%
4. Low saturation with PDMOS output
5. Built-in over-current protection circuit that prevents the destruction of the IC due to output short circuits
6. Built-in thermal Shutdown circuit for protecting the IC from thermal damage due to overloading
7. Low ESR Capacitor
8. TO252-3/5, HRP5, TO263-3(F)/5 package
9. AEC-Q100 Qualified
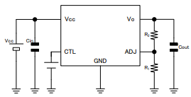
3. Output Voltage Configuration Method (BD00C0AW)
Please connect resistors R1 and R2 (which determines the output voltage) as shown in Please be aware that the offset due to the current that flows from the ADJ terminal becomes large when resistor values are large. Due to this, resistance ranging from 5kΩ to 10kΩ is highly recommended for R1.


The circuit current dependents on the resistance value of R1 and R2.Please determine the constant considering the actual application.
4. Typical Application Circuits

5. Pin Configurations/Pin Descriptions
