Can ship immediately
Due to market price fluctuations,if you need to purchase or consult the price.You can contact us or emial to us: brenda@hongda-ic.com
1. DESCRIPTION
BPV10NF is a PIN photodiode with high speed and high radiant sensitivity in black, T-1¾ plastic package with daylight blocking filter. Filter bandwidth is matched with 870 nm to 950 nm IR emitters.
2. FEATURES
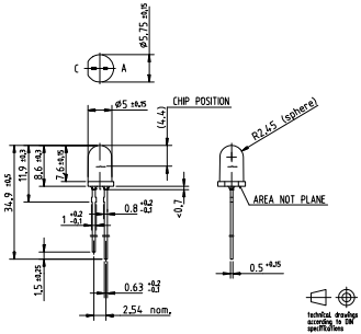
1. Package type: leaded
2. Package form: T-1¾
3. Dimensions (in mm): Ø 5
4. Radiant sensitive area (in mm2): 0.78
5. Leads with stand-off
6. High radiant sensitivity
7. Daylight blocking filter matched with 870 nm to 950 nm
3. APPLICATIONS
1. High speed detector for infrared radiation
2. Infrared remote control and free air data transmission
4. Package dimensions
