Can ship immediately
Due to market price fluctuations,if you need to purchase or consult the price.You can contact us or emial to us: brenda@hongda-ic.com
1. DESCRIPTION
The bq2060A SBS-compliant gas gauge IC for battery pack or in-system installation maintains an accurate record of available charge in rechargeable batteries. The bq2060A monitors capacity and other critical battery parameters for NiCd, NiMH, Li-ion, and lead-acid chemistries. The bq2060A uses a voltage-to-frequency converter with automatic offset error correction for charge and discharge counting. For voltage, temperature, and current reporting, the bq2060A uses an A-to-D converter. The onboard ADC also monitors individual cell voltages in a Li-ion battery pack and allows the bq2060A to generate control signals that may be used with a pack supervisor to enhance pack safety. The bq2060A supports the smart battery data (SBData) commands and charge-control functions. It communicates data using the system management bus (SMBus) 2-wire protocol or the Benchmarq 1-wire HDQ16 protocol. The data available include the remaining battery capacity, temperature, voltage, current, and remaining run-time predictions. The bq2060A provides LED drivers and a pushbutton input to depict remaining battery capacity from full to empty in 20% or 25% increments with a 4- or 5-segment display. The bq2060A works with an external EEPROM. The EEPROM stores the configuration information for the bq2060A, such as battery chemistry, self-discharge rate, rate compensation factors, measurement calibration, and design voltage and capacity. The bq2060A uses the programmable self-discharge rate and other compensation factors stored in the EEPROM to accurately adjust remaining capacity for use and standby conditions based on time, rate, and temperature. The bq2060A also automatically calibrates or learns the true battery capacity in the course of a discharge cycle from near-full to near-empty levels. The REG output regulates the operating voltage for the bq2060A from the battery cell stack using an external JFET
2. FEATURES
1. Provides Accurate Measurement of Available Charge in NiCd, NiMH, Li-Ion, and Lead-Acid Batteries
2. Supports SBS Smart Battery Data Specification v1.1
3. Supports the 2-Wire SMBus v1.1 Interface With PEC or 1-Wire HDQ16
4. Reports Individual Cell Voltages
5. Monitors and Provides Control to Charge and Discharge FETs in Li-Ion Protection Circuit
6. Provides 15-Bit Resolution for Voltage, Temperature, and Current Measurements
7. Measures Charge Flow Using a V-to-F Converter With Offset of Less Than 16 µV After Calibration
8. Consumes Less Than 0.5 mW Operating
9. Drives a 4- or 5-Segment LED Display for Remaining Capacity Indication
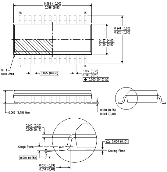
10. 28-Pin 150-Mil (3,8-mm) SSOP
3. PIN CONNECTIONS

4. Pin Descriptions

5. General Operation
The bq2060A determines battery capacity by monitoring the amount of charge input or removed from a rechargeable battery. In addition to measuring charge and discharge, the bq2060A measures battery voltage, temperature, and current, estimates battery self-discharge, and monitors the battery for low-voltage thresholds. The bq2060A measures charge and discharge activity by monitoring the voltage across a small-value series sense resistor between the battery negative terminal and the negative terminal of the battery pack. The available battery charge is determined by monitoring this voltage and correcting the measurement for environmental and operating conditions.
6. Package overview
