Can ship immediately
Due to market price fluctuations,if you need to purchase or consult the price.You can contact us or emial to us: brenda@hongda-ic.com
1. Description
The BQ29700DSER battery cell protection device provides an accurate monitor and trigger threshold for overcurrent protection during high discharge/charge current operation or battery overcharge conditions. The BQ2970 device provides the protection functions for Li-ion/Li-polymer cells, and monitors across the external power FETs for protection due to high charge or discharge currents. In addition, there is overcharge and depleted battery monitoring and protection. These features are implemented with low current consumption in NORMAL mode operation.
2. Features
1. Input voltage range pack+: VSS – 0.3 V to 12 V
2. FET drive:
– CHG and DSG FET drive output
3. Voltage sensing across external FETs for overcurrent protection (OCP) is within ±5 mV (typical)
4. Fault detection
– Overcharge detection (OVP)
– Over-discharge detection (UVP)
– Charge overcurrent detection (OCC)
– Discharge overcurrent detection (OCD)
– Load short-circuit detection (SCP)
5. Zero voltage charging for depleted battery
6. Factory programmed fault protection thresholds
– Fault detection voltage thresholds
– Fault trigger timers
– Fault recovery timers
7. Modes of operation without battery charger enabled
– NORMAL mode ICC = 4 µA
– Shutdown Iq = 100 nA
8. Operating temperature range TA = –40°C to +85°C
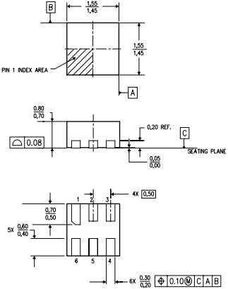
9. Package:
– 6-pin DSE (1.50 mm × 1.50 mm × 0.75 mm)
3. Applications
1. Tablet PCs
2. Mobile handsets
3. Handheld data terminals
4. Pin Configuration

5. Pin Functions

6. Package overview
