Can ship immediately
1. System Overview
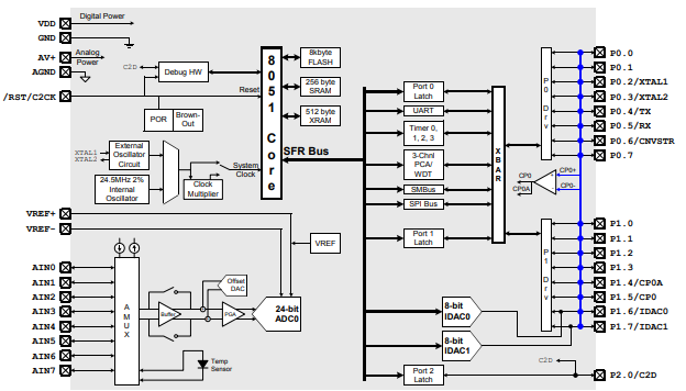
C8051F350/1/2/3 devices are fully integrated mixed-signal System-on-a-Chip MCUs. Highlighted features are listed below. Refer to Table 1.1 for specific product feature selection.
1. High-speed pipelined 8051-compatible microcontroller core (up to 50 MIPS)
2. In-system, full-speed, non-intrusive debug interface (on-chip)
3. 24 or 16-bit single-ended/differential ADC with analog multiplexer
4. Two 8-bit Current Output DACs
5. Precision programmable 24.5 MHz internal oscillator
6. 8 kB of on-chip Flash memory
7. 768 bytes of on-chip RAM
8. SMBus/I2C, Enhanced UART, and SPI serial interfaces implemented in hardware
9. Four general-purpose 16-bit timers
10. Programmable counter/timer array (PCA) with three capture/compare modules and watchdog timer function
11. On-chip power-on reset, VDD monitor, and temperature sensor
12. On-chip voltage comparator
13. 17 Port I/O (5 V tolerant)
With on-chip power-on reset, VDD monitor, watchdog timer, and clock oscillator, the C8051F350/1/2/3 devices are truly stand-alone System-on-a-Chip solutions. The Flash memory can be reprogrammed even in-circuit, providing non-volatile data storage, and also allowing field upgrades of the 8051 firmware. User software has complete control of all peripherals, and may individually shut down any or all peripherals for power savings.
The on-chip Silicon Labs 2-Wire (C2) Development Interface allows non-intrusive (uses no on-chip resources), full speed, in-circuit debugging using the production MCU installed in the final application. This debug logic supports inspection and modification of memory and registers, setting breakpoints, single stepping, run and halt commands. All analog and digital peripherals are fully functional while debugging using C2. The two C2 interface pins can be shared with user functions, allowing in-system debugging without occupying package pins.
Each device is specified for 2.7 V-to-3.6 V operation over the industrial temperature range (-45 to +85 °C).
The Port I/O and /RST pins are tolerant of input signals up to 5 V. The C8051F350/1/2/3 are available in 28-pin MLP or 32-pin LQFP packaging, as shown in Figure 1.1 through Figure 1.4.

