Can ship immediately
Function Description
Espressif Systems Intelligent Connection Platform (ESCP) is a group of high-performance, highly integrated products Wireless SOC, designed for designers of mobile platforms with limited space and power. It provides Unparalleled ability to embed WiFi functions into other systems or run independently Application, the lowest cost, and the smallest footprint. Provide a complete, self-contained WiFi network solution; it can be used to host The application or uninstall the WiFi network function from another application processor. After ESP8266-EVB-BAT-BOX hosts the application, it will boot directly from the external flash memory. Already integrated Cache in such applications to improve system performance. In addition, as a WiFi adapter, wireless Internet access can be added to any microcontroller-based design through a simple connection (SPI/SDIO or I2C/UART interface). ESP8266-EVB-BAT-BOX is one of the most integrated WiFi chips in the industry; it integrates antenna switches, RF baluns, power amplifiers, low noise receiving amplifiers, filters, and power management modules. It requires minimal external circuits, and the entire solution including front-end modules is designed Occupies the smallest PCB area. ESP8266-EVB-BAT-BOX also integrates an enhanced version of Tensilica L106 Diamond series 32-bit processors,
In addition to WiFi function, it also has on-chip SRAM. ESP8266-EVB-BAT-BOX is usually integrated with external Sensors and other specialized devices via its GPIO; sample code for such applications Provided in the software development kit (SDK).
Espressif Systems’Intelligent Connectivity Platform (ESCP) demonstrates a complex system level Features include fast sleep/wake context switching for energy-saving VoIP, adaptive radio bias Low power operation, advanced signal processing, spurious cancellation and radio coexistence Common cellular, Bluetooth, DDR, LVDS and LCD interference mitigation functions.
Features
1. 802.11 b/g/n
2. Integrated low power 32-bit MCU
3. Integrated 10-bit ADC
4. Integrated TCP/IP protocol stack
5. Integrated TR switch, balun, LNA, power amplifier and matching network
6. Integrated PLL, regulators, and power management units
7. Supports antenna diversity
8. WiFi 2.4 GHz, support WPA/WPA2
9. Support STA/AP/STA+AP operation modes
10. Support Smart Link Function for both Android and iOS devices
11. SDIO 2.0, (H) SPI, UART, I2C, I2S, IR Remote Control, PWM, GPIO
12. STBC, 1x1 MIMO, 2x1 MIMO
13. A-MPDU & A-MSDU aggregation & 0.4s guard interval
14. Deep sleep power <10uA, Power down leakage current < 5uA
15. Wake up and transmit packets in < 2ms
16. Standby power consumption of < 1.0mW (DTIM3)
17. +20 dBm output power in 802.11b mode
18. Operating temperature range -40C ~ 125C
19. FCC, CE, TELEC, WiFi Alliance, and SRRC certified
Pin Definitions

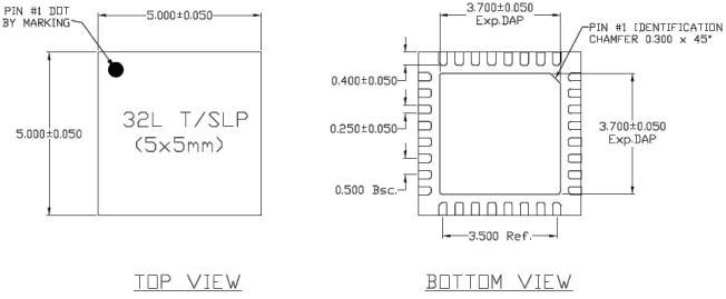
QFN32 Package Size
