Can ship immediately
Due to market price fluctuations,if you need to purchase or consult the price.You can contact us or emial to us: brenda@hongda-ic.com
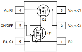
1. Description
This device is particularly suited for compact power management in portable electronic equipment where 3 V to 20 V input and 2.3 A output current capability are needed. This load switch integrates a small N−Channel power MOSFET (Q1) which drives a large P−Channel power MOSFET (Q2) in one tiny SUPERSOT−6 package.
2. Features
1. VDROP = 0.20 V @ VIN = 12 V, IL = 2.5 A, R(on) = 0.08
2. VDROP = 0.20 V @ VIN = 5 V, IL = 1.6 A, R(on) = 0.125
3. Control MOSFET (Q1) Includes Zener Protection for ESD Ruggedness (> 6 kV Human Body Model)
4. High Performance POWERTRENCH® Technology for Extremely Low On−Resistance
5. SUPERSOT−6 Package Design Using Copper Lead Frame for Superior Thermal and Electrical Capabilities
6. This is a Pb−Free and Halide Free Device
3. Application
1. Power Management
2. Load Actuation
4. Pin configuration
