Can ship immediately
Due to market price fluctuations,if you need to purchase or consult the price.You can contact us or emial to us: brenda@hongda-ic.com
1. Description
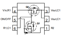
This device is particularly suited for compact power management in portable electronic equipment where 2.5V to 8V input and 2.8A output current capability are needed. This load switch integrates a small N-Channel power MOSFET (Q1) that drives a large P-Channel power MOSFET (Q2) in one tiny SuperSOTTM-6 package.
2. Features
1. –2.8 A, –8 V. RDS(ON) = 55 m: @ VGS = –4.5 V
RDS(ON) = 70 m: @ VGS = –2.5 V
RDS(ON) = 100 m:@ VGS = –1.8 V
2. Control MOSFET (Q1) includes Zener protection for ESD ruggedness (>6KV Human body model)
3. High performance trench technology for extremely low RDS(ON)
3. Applications
1. Load switch
2. Power management
4. Pin configuration
