Can ship immediately
Due to market price fluctuations,if you need to purchase or consult the price.You can contact us or emial to us: brenda@hongda-ic.com
1. Description
The FM25W256-G is a 256-Kbit nonvolatile memory employing an advanced ferroelectric process. A ferroelectric random access memory or F-RAM is nonvolatile and performs reads and writes similar to a RAM. It provides reliable data retention for 151 years while eliminating the complexities, overhead, and system level reliability problems caused by serial flash, EEPROM, and other nonvolatile memories. Unlike serial flash and EEPROM, the FM25W256 performs write operations at bus speed. No write delays are incurred. Data is written to the memory array immediately after each byte is successfully transferred to the device. The next bus cycle can commence without the need for data polling. In addition, the product offers substantial write endurance compared with other nonvolatile memories. The FM25W256 is capable of supporting 1014 read/write cycles, or 100 million times more write cycles than EEPROM. These capabilities make the FM25W256 ideal for nonvolatile memory applications requiring frequent or rapid writes. Examples range from data collection, where the number of write cycles may be critical, to demanding industrial controls where the long write time of serial flash or EEPROM can cause data loss. The FM25W256 provides substantial benefits to users of serial EEPROM or flash as a hardware drop-in replacement. The FM25W256 uses the high-speed SPI bus, which enhances the high-speed write capability of F-RAM technology. The device specifications are guaranteed over an industrial temperature range of –40 °C to +85 °C.
2. Features
1. 256-Kbit ferroelectric random access memory logically organized as 32K × 8
- High-endurance 100 trillion (1014) read/writes
- 151-year data retention
- NoDelay™ writes
- Advanced high-reliability ferroelectric process
2. Very fast serial peripheral interface (SPI)
- Up to 20 MHz frequency
- Direct hardware replacement for serial flash and EEPROM
- Supports SPI mode 0 (0, 0) and mode 3 (1, 1)
3. Sophisticated write protection scheme
- Hardware protection using the Write Protect (WP) pin
- Software protection using Write Disable instruction
- Software block protection for 1/4, 1/2, or entire array
4. Low power consumption
- 250 μA active current at 1 MHz
- 15 µA (typ) standby current
5. Wide voltage operation: VDD = 2.7 V to 5.5 V
6. Industrial temperature: –40 °C to +85 °C
7. 8-pin small outline integrated circuit (SOIC) package
8. Restriction of hazardous substances (RoHS) compliant
3. Pin configuration

4. Pin Definitions

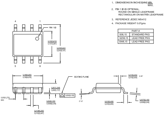
5. Package Diagram
