Can ship immediately
Due to market price fluctuations,if you need to purchase or consult the price.You can contact us or emial to us: brenda@hongda-ic.com
1. Description
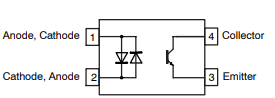
The FOD817DSD consists of two gallium arsenide infrared emitting diodes, connected in inverse parallel, driving a silicon phototransistor output in a 4−pin dual in−line package. The FOD817 Series consists of a gallium arsenide infrared emitting diode driving a silicon phototransistor in a 4−pin dual in−line package.
2. Features
1. AC Input Response (FOD814)
2. Current Transfer Ratio in Selected Groups
- FOD814: 20–300%
- FOD814A: 50–150%
- FOD817: 50–600%
- FOD817A: 80–160%
- FOD817B: 130–260%
- FOD817C: 200–400%
- FOD817D: 300–600%
3. Minimum BVCEO of 70 V Guaranteed
4. Safety and Regulatory Approvals
- UL1577, 5,000 VACRMS for 1 Minute
- DIN EN/IEC60747−5−5
5. This Device is Pb−Free
3. Typical Applications
1. FOD814 Series
- AC Line Monitor
- Unknown Polarity DC Sensor
- Telephone Line Interface
2. FOD817 Series
- Power Supply Regulators
- Digital Logic Inputs
- Microprocessor Inputs
4. Pin configuration
