Can ship immediately
Due to market price fluctuations,if you need to purchase or consult the price.You can contact us or emial to us: brenda@hongda-ic.com
1. Describe
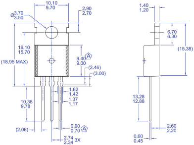
FQP4N90C / FQPF4N90C — N-Channel QFET ® MOSFET This N-channel enhancement mode power MOSFET is Manufactured using Fairchild's proprietary flat surface Stripes and DMOS technology. This advanced MOSFET Technology designed to reduce on-states resistance and provide excellent switching performance and high avalanche energy intensity. These devices are Suitable for switching power supply, active power supply Factor Correction (PFC) and Electronic Lamp Ballasts
2. Feature
1. 4.0 A, 900 V, RDS(on) = 4.2 Ω (max) @ VGS = 10 V, ID = 2.0 A
2. Low gate charge (17 nC typical)
3. Low Crss (typ. 5.6 pF)
4. 100% Avalanche Tested
3. product description
