Can ship immediately
Due to market price fluctuations,if you need to purchase or consult the price.You can contact us or emial to us: brenda@hongda-ic.com
1. Description
The FSA2567MPX is a bi-directional, low -pow er, dual doublepole, double-throw (4PDT) analog sw itch targeted at dual SIM card multiplexing. It is optimized for sw itching the WLAN-SIM data and control signals and dedicates one channel as a supply-source sw itch. The FSA2567 is compatible w ith the requirements of SIM cards and features a low on capacitance (CON) of 10 pF to ensure high-speed data transfer. The VSIM sw itch path has a low RON characteristic to ensure minimal voltage drop in the dual SIM card supply paths. The FSA2567 contains special circuitry that minimizes current consumption w hen the control voltage applied to the SEL pin is low er than the supply voltage (VCC). This feature is especially valuable in ultra-portable applications, such as cell phones; allow ing direct interface w ith the general-purpose I/Os of the baseband processor. Other applications include sw itching and connector sharing in portable cell phones, PDAs, digital cameras, printers, and notebook computers
2. Features
1. Low On Capacitance for Data Path: 10 pF Typical
2. Low On Resistance for Data Path: 6 Ω Typical
3. Low On Resistance for Supply Path: 0.4 Ω Typical
4. Wide VCC Operating Range: 1.65 V to 4.3 V
5. Low Pow er Consumption: 1 μA Maximum -15 μA Maximum ICCT Over Expanded Voltage Range (VIN=1.8 V, VCC=4.3 V)
6. Wide -3 db Bandw idth: > 160 MHz
7. Packaged in: - Pb-free 16-Lead MLP& 16-Lead UMLP
8. 3 kV ESD Rating, >12 kV Pow er/GND ESD Rating
3. Applications
1. Cell phone, PDA, Digital Camera, and Notebook
2. LCD Monitor, TV, and Set-Top Box
4. Pin Assignments

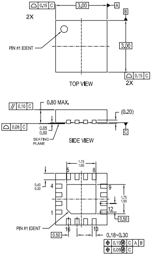
5. Physical Dimensions
