Can ship immediately
Due to market price fluctuations,if you need to purchase or consult the price.You can contact us or emial to us: brenda@hongda-ic.com
1. Features
1. Ultra−Low Forward Voltage Drop
2. Low Thermal Resistance
3. Very Low Profile: Typical Height of 1.1 mm
4. Trench Schottky Technology
5. Green Molding Compound as per IEC61249 Standard
6. Non−DAP Option Only
7. These Devices are Pb−Free, Halogen Free Free and are RoHS Compliant
2. Electrical characteristics

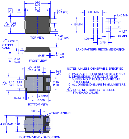
3. Package dimensions
