Can ship immediately
Due to market price fluctuations,if you need to purchase or consult the price.You can contact us or emial to us: brenda@hongda-ic.com
1. Feature
FT230XS-R is a USB to serial UART interface with optimized pin count for smaller PCB designs and the following advanced features:
1. Single chip USB to asynchronous serial data transmission interface.
2. Process the entire USB protocol on the chip. No USB specific firmware programming is required.
3. Fully integrated 2048 bytes of multi-time programmable (MTP) memory for storing device descriptors and CBUS I/O configuration.
4. Fully integrated clock generation without external crystal oscillator, plus optional clock output options, can realize seamless interface with external MCU or FPGA.
5. The data transmission rate of TTL level ranges from 300 baud to 3 Mbaud (RS422, RS485 and RS232).
6. 512-byte receive buffer and 512-byte transmit buffer utilize buffer smoothing technology to achieve high data throughput.
7. FTDI's royalty-free Virtual Com Port (VCP) and Direct (D2XX) drivers require no USB driver development in most cases.
8. Configurable CBUS I/O pins.
9. Send and receive LED drive signals.
10. UART interface supports 7 or 8 data bits, 1 or 2 stop bits and odd/even/mark/space/no parity
11. Synchronous and asynchronous bit burst interface options with RD# and WR# strobes.
12. USB battery charger detection. Allow USB peripherals to detect the presence of higher power sources to improve charging.
13. The device provides a pre-programmed unique USB serial number.
14. USB power configuration; supports bus power, self-power and bus power with power switch
15. Integrated +3.3V level shifter for USB I/O.
16. True 3.3V CMOS driver output and TTL input; using external pull-ups can be as low as 1V8. Withstand 5V input
17. Configurable I/O pin output drive strength; 4 mA (minimum) and 16 mA (maximum).
18. Integrated power-on reset circuit
19. Fully integrated AVCC power supply filtering-no external filtering is required.
20. UART signal inversion option.
21. +5V single power supply operation.
22. Internal 3V3/1V8 LDO regulator
23. Low operating and USB suspend current; 8mA (active type) and 125uA (suspended type).
24. UHCI/OHCI/EHCI host controller compatible.
25. USB 2.0 full speed compatible.
26. Extended operating temperature range; -40 to 85⁰C.
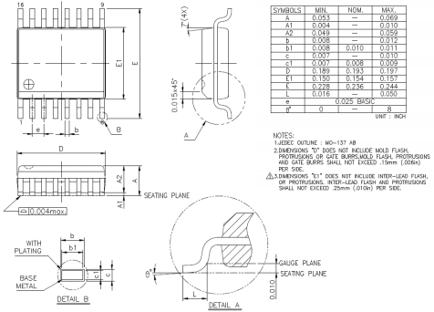
27. Available in compact lead-free 16-pin SSOP and 16-pin QFN packages (both are RoHS compliant).
2. Applications
1. USB to RS232/RS422/RS485 Converters
2. Upgrading Legacy Peripherals to USB
3. Utilising USB to add system modularity
4. Incorporate USB interface to enable PC transfers for development system communication
5. Cellular and Cordless Phone USB data transfer cables and interfaces
6. Interfacing MCU/PLD/FPGA based designs to add USB connectivity
7. USB Audio and Low Bandwidth Video data transfer
8. USB Smart Card Readers
9. USB Instrumentation
10. USB Industrial Control
11. USB MP3 Player Interface
12. USB FLASH Card Reader and Writers
13. Set Top Box PC - USB interface
14. USB Digital Camera Interface
15. USB Hardware Modems
16. USB Wireless Modems
17. USB Bar Code Readers
18. USB dongle implementations for Software/ Hardware Encryption and Wireless Modules
19. Detection of dedicated charging port for battery charging at higher supply currents.
3. Driver Support
Royalty free VIRTUAL COM PORT (VCP) DRIVERS for:
1. Windows 10 32,64 bit
2. Windows 8/8.1 32,64-bit
3. Windows 7 32, 64-bit
4. Windows Vista and Vista 64-bit
5. Windows XP and XP 64-bit
6. Server 2003, XP and Server 2008/2012
7. Windows XP Embedded
8. Windows CE 4.2-5.2, 6.0, 7.0, 2013
9. Mac OS-X
10. Linux 3.2 and greater
11. Android
Royalty free D2XX Direct Drivers (USB Drivers + DLL S/W Interface):
1. Windows 10 32,64 bit
2. Windows 8/8.1 32,64-bit
3. Windows 7 32,64-bit
4. Windows Vista and Vista 64-bit
5. Windows XP and XP 64-bit
6. Server 2003, XP and Server 2008/2012
7. Windows XP Embedded
8. Windows CE 4.2-5.2, 6.0, 7.0, 2013
9. Mac OS-X
10. Linux 2.6 and greater
11. Android
4. Package Mechanical Dimensions
