Can ship immediately
Due to market price fluctuations,if you need to purchase or consult the price.You can contact us or emial to us: brenda@hongda-ic.com
1. Features
1. Glass Passivated Die Construction
2. High Case Dielectric Strength of 2500VRMS
3. Low Reverse Leakage Current
4. Surge Overload Rating to 400A Peak
5. Ideal for Printed Circuit Board Applications
6. Lead-Free Finish; RoHS Compliant
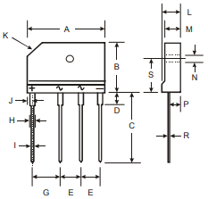
2. Mechanical Data
1. Case Material: Molded Plastic. UL Flammability Classification 94V-0
2. Moisture Sensitivity: Level 1 per J-STD-020
3. Terminals: Lead Free Tin Plated Leads, Solderable per MIL-STD202, Method 208
4. Polarity: Molded on Body
5. Mounting: Through Hole for #6 Screw
6. Mounting Torque: 5.0 in-lbs Maximum
7. Marking: Part Number
8. Weight: 6.6 grams (Approximate)
3. Electrical Characteristics

4. Package overview
