Can ship immediately
Due to market price fluctuations,if you need to purchase or consult the price.You can contact us or emial to us: brenda@hongda-ic.com
1. Description
The HCNR201-000E high-linearity analog optocoupler consists of a high-performance AlGaAs LED that illumi‑ nates two closely matched photodiodes. The input pho‑ todiode can be used to monitor, and therefore stabilize, the light output of the LED. As a result, the non-linearity and drift characteristics of the LED can be virtually elimi‑ nated. The output photodiode produces a photocurrent that is linearly related to the light output of the LED. The close matching of the photo-diodes and advanced de‑ sign of the package ensure the high linearity and stable gain characteristics of the optocoupler. The HCNR200/201 can be used to isolate analog signals in a wide variety of applications that require good stabil‑ ity, linearity, bandwidth and low cost. The HCNR200/201 is very flexible and, by appropriate design of the appli‑ cation circuit, is capable of operating in many different modes, including: unipolar/bipolar, ac/dc and inverting/ non-inverting. The HCNR200/201 is an excellent solution for many analog isolation problems.
2. Features
1. Low nonlinearity: 0.01%
2. K3(IPD2/IPD1) transfer gain
- HCNR200: ±15%
- HCNR201: ±5%
3. Low gain temperature coefficient: ‑65ppm/°C
4. Wide bandwidth – DC to >1 MHz
5. Worldwide safety approval
– UL 1577 recognized (5 kV rms/1 min rating)
– CSA approved
– IEC/EN/DIN EN 60747-5-2 approved VIORM = 1414 V peak (option #050)
6. Surface mount option available (Option #300)
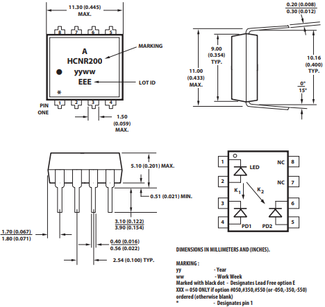
7. 8-Pin DIP package - 0.400” spacing
8. Allows flexible circuit design
3. Applications
1. Low cost analog isolation
2. Telecom: Modem, PBX
3. Industrial process control: Transducer isolator Isolator for thermocouples 4mA to 20 mA loop isola‑ tion
4. SMPS feedback loop, SMPS feedforward
5. Monitor motor supply voltage
6. Medical
4. Package Outline Drawings
