Can ship immediately
Due to market price fluctuations,if you need to purchase or consult the price.You can contact us or emial to us: brenda@hongda-ic.com
1. DESCRIPTION
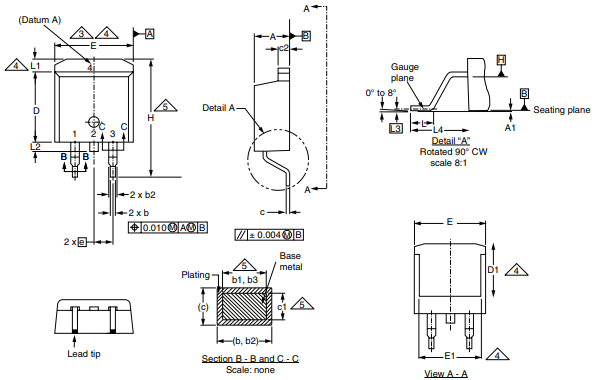
Third generation power MOSFETs from Vishay provide the designer with the best combination of fast switching, ruggedized device design, low on-resistance and cost-effectiveness. The D2PAK (TO-263) is a surface mount power package capable of accommodating die size up to HEX-4. It provides the highest power capability and the lowest possible on-resistance in any existing surface mount package. The D2PAK (TO-263) is suitable for high current applications because of its low internal connection resistance and can dissipate up to 2.0 W in a typical surface mount application.


2. FEATURES
1. Surface mount
2. Available in tape and reel
3. Dynamic dV/dt rating
4. Repetitive avalanche rated
5. Fast switching
6. Ease of paralleling
7. Simple drive requirement
3. Package Information
