Can ship immediately
Due to market price fluctuations,if you need to purchase or consult the price.You can contact us or emial to us: brenda@hongda-ic.com
1. DESCRIPTION
Third generation Power MOSFETs from Vishay provide the designer with the best combination of fast switching, ruggedized device design, low on-resistance and cost-effectiveness. The D2PAK (TO-263) is a surface mount power package capable of accommodating die size up to HEX-4. It provides the highest power capability and the lowest possible on-resistance in any existing surface mount package. The D2PAK (TO-263) is suitable for high current applications because of its low internal connection resistance and can dissipate up to 2.0 W in a typical surface mount application.


2. FEATURES
1. Halogen-free According to IEC 61249-2-21 Definition
2. Surface Mount
3. Available in Tape and Reel
4. Dynamic dV/dt Rating
5. Repetitive Avalanche Rated
6. Fast Switching
7. Ease of Paralleling
8. Simple Drive Requirement
9. Compliant to RoHS Directive 2002/95/EC
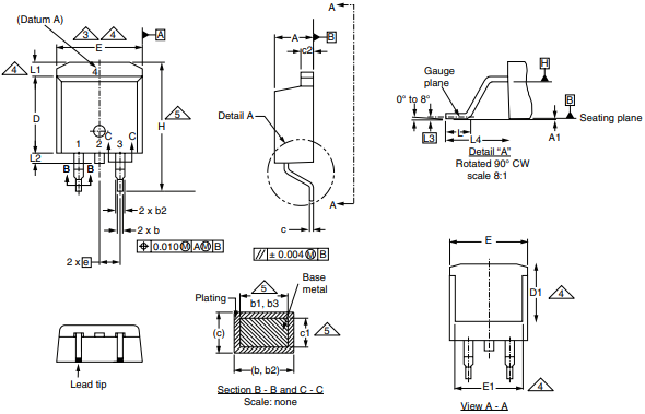
3. Package Information
