Can ship immediately
Due to market price fluctuations,if you need to purchase or consult the price.You can contact us or emial to us: brenda@hongda-ic.com
1. Features
1. NPT Technology, Positive Temperature Coefficient
2. Lower VCE(SAT)
3. Lower Parasitic Capacitances
4. Minimal Tail Current
5. HEXFRED Ultra Fast Soft-Recovery Co-Pack Diode
6. Tighter Distribution of Parameters
7. Higher Reliability
2. Applications
1. Telecom and Server SMPS
2. PFC and ZVS SMPS Circuits
3. Uninterruptable Power Supplies
4. Consumer Electronics Power Supplies
5. Lead-Fre
3. Benefits
1. Parallel Operation for Higher Current Applications
2. Lower Conduction Losses and Switching Losses
3. Higher Switching Frequency up to 150kHz
4. Electrical characteristics

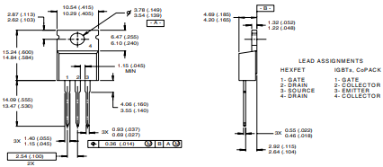
5. Product Size
