Can ship immediately
Due to market price fluctuations,if you need to purchase or consult the price.You can contact us or emial to us: brenda@hongda-ic.com
1. Description
The ISO1211DR devices are isolated 24-V to 60-V digital input receivers, compliant to IEC 61131-2 Type 1, 2, and 3 characteristics. These devices enable 9-V to 300-V DC and AC digital input modules in programmable logic controllers (PLCs), motor-control, grid infrastructure, and other industrial applications. Unlike traditional optocoupler solutions with discrete, imprecise current limiting circuitry, the ISO121x devices provide a simple, low-power solution with an accurate current limit to enable the design of compact and high-density I/O modules. These devices do not require field-side power supply and are configurable as sourcing or sinking inputs. The ISO121x devices operate over the supply range of 2.25 V to 5.5 V, supporting 2.5-V, 3.3-V, and 5-V controllers. A ±60-V input tolerance with reverse polarity protection helps ensure the input pins are protected in case of faults with negligible reverse current. These devices support up to 4-Mbps data rates passing a minimum pulse width of 150 ns for high-speed operation. The ISO1211 device is ideal for designs that require channel-to-channel isolation and the ISO1212 device is ideal for multichannel space-constrained designs. The ISO121x devices reduce component count, simplify system design, improve performance, and reduce board temperatures compared to traditional solutions. For details, refer to the How To Simplify Isolated 24-V PLC Digital Input Module Designs TI TechNote, How To Improve Speed and Reliability of Isolated Digital Inputs in Motor Drives TI TechNote, and How to Design Isolated Comparators for ±48V, 110V and 240V DC and AC Detection TI TechNote.
2. Features
1. Compliant to IEC 61131-2; Type 1, 2, 3 characteristics for 24-V isolated digital inputs
2. Supports 9-V to 300-V DC and AC digital input designs using external resistors
3. Accurate Current Limit for Low-Power Dissipation:
– 2.2 mA to 2.47 mA for Type 3
– Adjustable up to 6.5 mA
4. Eliminates the need for field-side power supply
5. High input-voltage range with reverse polarity protection: ±60 V
6. Wire-break detection (refer to TIDA-01509)
7. Configurable as sourcing or sinking input
8. High data rates: up to 4 Mbps
9. Enable pin to multiplex output signals
10. High transient immunity: ±70-kV/µs CMTI
11. Wide supply range (VCC1): 2.25 V to 5.5 V
12. Ambient temperature range: –40°C to +125°C
13. Compact package options:
– Single-channel ISO1211, SOIC-8
– Dual-channel ISO1212, SSOP-16
14. Safety-Related Certifications:
– Basic insulation per DIN VDE V 0884-11
– UL 1577 recognition, 2500-VRMS insulation
– IEC 60950-1, IEC 62368-1, IEC 61010-1 and GB 4943.1-2011 certifications
3. Applications
1. Programmable Logic Controller (PLC)
– Digital Input Modules
– Mixed I/O Modules
2. Motor Drive I/O and Position Feedback
3. CNC Control
4. Data Acquisition
5. Binary Input Modules
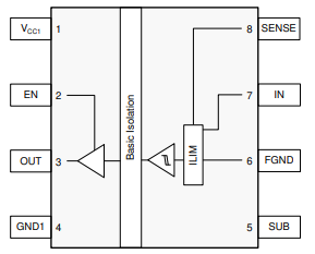
4. Pin Configuration

5. Pin Functions

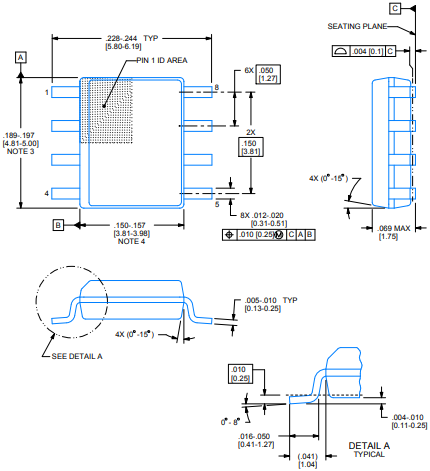
6. PACKAGE OUTLINE
