Can ship immediately
1. Description
The positive temperature coefficient of KTY81/120,112 series temperature sensors is Resistance, suitable for measurement and control systems. The sensor is Packaged in SOD70 2 in-line lead plastic package. Other special options are available on request. This device is sensitive to ElectroStatic Discharge (ESD). Therefore care should be taken during transport and handling.
2. Features
1. High accuracy and reliability
2. Long-term stability
3. Positive temperature coefficient; fail-safe behavior
4. Virtually linear characteristics
3. Packing information

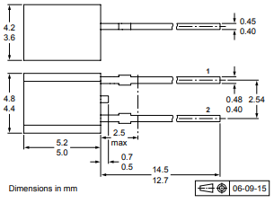
4. Package outline
