Can ship immediately
Due to market price fluctuations,if you need to purchase or consult the price.You can contact us or emial to us: brenda@hongda-ic.com
1. Describe
This device is a monolithic integrated high-voltage, high-current four-channel driver, designed for Accept standard DTL or TTL logic level and drive Inductive load (such as relay solenoid valve, DC And stepper motors) and switching power transistors. In order to simplify the use as two bridges, each pair of channels is equipped with an enable input. independent Provides power input for logic, allows operation at lower voltages, and includes internal clamping diodes. The device is suitable for switching applications with frequencies up to 5 kHz. L293D assembled in 16 lead plastic Package with 4 center pins connected together for heat dissipation L293DD assembled on the surface of 20 leads There are 8 center pins connected together for heat dissipation.
2. Feature
1. 600mA output current capability per channel
2. 1.2A peak output current per channel (non-repetitive)
3. Activate the facility
4. Over temperature protection
5. Logic "0" input voltage up to 1.5 V (high noise immunity)
6. Internal clamp diode
3. PIN CONNECTIONS

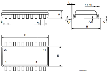
4. Product Size
