Can ship immediately
Due to market price fluctuations,if you need to purchase or consult the price.You can contact us or emial to us: brenda@hongda-ic.com
1. Description
LIS3MDLTR is an ultra-low-power high-performance three-axis magnetic sensor. LIS3MDL has user-selectable full scale ±4/±8/±12/±16 Gauss. The self-checking capability allows the user to check the final functional application of the sensor. The device can be configured to generate Interrupt signal for magnetic field detection. LIS3MDL includes an I2C serial bus interface Support standard and fast mode (100 kHz And 400 kHz) and SPI serial standard interface. LIS3MDL has a small thin plastic Land Grid Array Package (LGA) and guaranteed Operate in a wider temperature range -40 °C to +85 °C.
2. Features
1. Wide supply voltage, 1.9 V to 3.6 V
2. Independent IO supply (1.8 V)
3. ±4/±8/±12/±16 gauss selectable magnetic full scales
4. Continuous and single-conversion modes
5. 16-bit data output
6. Interrupt generator
7. Self-test
8. I2C/SPI digital output interface
9. Power-down mode / low-power mode
10. ECOPACK®, RoHS and “Green” compliant
3. Applications
1. Magnetometers
2. Compasses
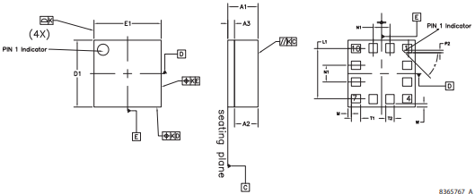
4. Pin connections

5. Package overview
