Can ship immediately
Due to market price fluctuations,if you need to purchase or consult the price.You can contact us or emial to us: brenda@hongda-ic.com
1. Description
The LM358APG4 devices are the nextgeneration versions of the industry-standard operational amplifiers (op amps) LM358 and LM2904, which include two high-voltage (36-V) op amps. These devices provide outstanding value for costsensitive applications, with features including low offset (300 µV, typical), common-mode input range to ground, and high differential input voltage capability. The LM358B and LM2904B op amps simplify circuit design with enhanced features such as unity-gain stability, lower offset voltage of 3 mV (maximum at room temperature), and lower quiescent current of 300 µA per amplifier (typical). High ESD (2 kV, HBM) and integrated EMI and RF filters enable the LM358B and LM2904B devices to be used in the most rugged, environmentally challenging applications. The LM358B and LM2904B amplifiers are available in micro-sized packaging, such as the SOT23-8 , as well as industry standard packages, including SOIC, TSSOP, and VSSOP.
2. Features
1. Wide supply range of 3 V to 36 V (B version)
2. Quiescent current: 300 µA per amplifier (B version, typical)
3. Unity-gain bandwidth of 1.2 MHz (B version)
4. Common-mode input voltage range includes ground, enabling direct sensing near ground
5. Low input offset voltage of 3 mV at 25°C (A and B versions, maximum)
6. Internal RF and EMI filter (B version)
7. On products compliant to MIL-PRF-38535, all parameters are tested unless otherwise noted. On all other products, production processing does not necessarily include testing of all parameters.
3. Applications
1. Merchant network and server power supply units
2. Multi-function printers
3. Power supplies and mobile chargers
4. Motor control: AC induction, brushed DC, brushless DC, high-voltage, low-voltage, permanent magnet, and stepper motor
5. Desktop PC and motherboard
6. Indoor and outdoor air conditioners
7. Washers, dryers, and refrigerators
8. AC inverters, string inverters, central inverters, and voltage frequency drives
9. Uninterruptible power supplies
10. Programmable logic controllers
11. Electronic point-of-sale systems
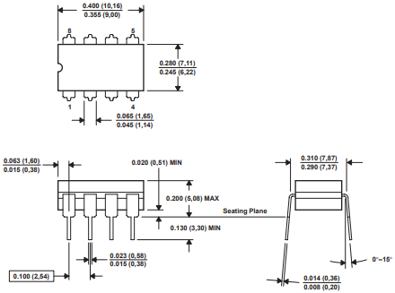
4. Pin Configuration

5. Package overview
