Can ship immediately
Due to market price fluctuations,if you need to purchase or consult the price.You can contact us or emial to us: brenda@hongda-ic.com
1. Description
The LM358BP series consists of two independent, high gain, internally frequency compensated operational amplifiers which were designed specifically to operate from a single power supply over a wide range of voltages. Operation from split power supplies is also possible and the low power supply current drain is independent of the magnitude of the power supply voltage. Application areas include transducer amplifiers, dc gain blocks and all the conventional op-amp circuits which now can be more easily implemented in single power supply systems. For example, the LM158 series can be directly operated off of the standard 3.3-V power supply voltage which is used in digital systems and will easily provide the required interface electronics without requiring the additional ±15V power supplies. The LM358 and LM2904 are available in a chip sized package (8-Bump DSBGA) using TI's DSBGA
2. Features
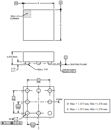
1. Available in 8-Bump DSBGA Chip-Sized Package(See AN-1112, SNVA009)
2. Internally Frequency Compensated for Unity Gain
3. Large DC Voltage Gain: 100 dB
4. Wide Bandwidth (Unity Gain): 1 MHz (Temperature Compensated)
5. Wide Power Supply Range:
– Single Supply: 3V to 32V
– Or Dual Supplies: ±1.5V to ±16V
6. Very Low Supply Current Drain (500μA)—Essentially Independent of Supply Voltage
7. Low Input Offset Voltage: 2 mV
8. Input Common-Mode Voltage Range Includes Ground
9. Differential Input Voltage Range Equal to the Power Supply Voltage
10. Large Output Voltage Swing
11. Unique Characteristics:
– In the Linear Mode the Input Common-Mode Voltage Range Includes Ground and the Output Voltage Can Also Swing to Ground, even though Operated from Only a Single Power Supply Voltage.
– The Unity Gain Cross Frequency is Temperature Compensated
– The Input Bias Current is also Temperature Compensated.
3. Applications
1. Active Filters
2. General Signal Conditioning and Amplification
3. 4- to 20-mA Current Loop Transmitters
4. Pin Configuration

5. Pin Functions

6. Package overview
