Can ship immediately
Due to market price fluctuations,if you need to purchase or consult the price.You can contact us or emial to us: brenda@hongda-ic.com
1. Describe
Schottky power rectifier uses Schottky barrier Principle of barrier metal that produces the best forward voltage Decrease the reverse current trade-off. Very suitable for low voltage, high Frequency rectification, or as freewheeling and polarity protection Diodes in surface mount applications with compact size and weight Essential to the system. This package provides an alternative Lead-free 34 MELF style package.
2. Feature
1. Protection of pressure protection
2. Very low forward voltage (0.38 V Max @ 0.5 A, 25°C)
3. 125°C operating junction temperature
4. Epoxy resin meets UL 94 V−0 @ 0.125 in
5. Package designed to optimize automated circuit board assembly
6. AEC-Q101 qualification and PPAP capability
7. SBR8 prefix, suitable for automotive and other needs Unique site and control change requirements
8. All packages are lead-free*
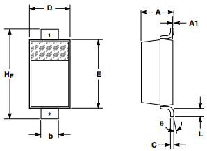
3. Mechanical properties
1. Polarity mark: cathode band
2. Weight: 11.7 mg (approximately)
3. Housing: epoxy resin, molded
4. Surface treatment: all outer surfaces are corrosion-resistant and terminals Leads are easy to solder
5. Lead wire used for soldering and mounting surface temperature: 260°C 10 seconds
6. ESD level:
- Human body model = 3B
- Machine model = C
4. Package overview

5. Electrical characteristics
