Can ship immediately
Due to market price fluctuations,if you need to purchase or consult the price.You can contact us or emial to us: brenda@hongda-ic.com
1. Description
The B series logic gates are composed of P and N channel enhanced mode devices, and have a single overall structure (complementary MOS). Their main purpose is low power consumption to improve power consumption and/or noise immunity.
2. Features
1. Power supply voltage range = 3.0 Vdc to 18 Vdc
2. All outputs are buffered
3. Able to drive two low-power TTL loads or one low-power TTL load within the rated temperature range.
4. Except for the following, double diode protection on all inputs: protection on three diodes MC14011BDTR2 and MC14081B
5. Corresponding to the pin-to-pin replacement of CD4000 series B suffix devices
6. It is suitable for the NLV prefix unique site and control change requirements for automobiles and other applications; conforms to AEC-Q100 and has PPAP capability
7. These devices are lead-free and RoHS compliant
3. Pin description


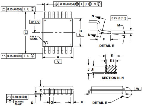
4. MECHANICAL CASE OUTLINE
