Can ship immediately
Description
The 74LVC1G02 is a single 2-input positive NOR gate with a standard push-pull output. The device is designed for operation with a power supply range of 1.65V to 5.5V. The inputs are tolerant to 5.5V allowing this device to be used in a mixed voltage environment.
The device is fully specified for partial power down applications using IOFF. The IOFF circuitry disables the output preventing damaging current backflow when the device is powered down.
The gate performs the positive Boolean function:

Features
1. Wide Supply Voltage Range from 1.65 to 5.5V
2. ± 24mA Output Drive at 3.3V
3. CMOS low power consumption
4. IOFF Supports Partial-Power-Down Mode Operation
5. Inputs accept up to 5.5V
6. ESD Protection Tested per JESD 22
7. Exceeds 200-V Machine Model (A115)
8. Exceeds 2000-V Human Body Model (A114)
9. Exceeds 1000-V Charged Device Model (C101)
10. Latch-Up Exceeds 100mA per JESD 78, Class I
11. Range of Package Options
12. Direct Interface with TTL Levels
13. Totally Lead-Free & Fully RoHS Compliant
14. Halogen and Antimony Free. “Green” Device
Applications
1. Voltage Level Shifting
2. General Purpose Logic
3. Power Down Signal Isolation
4. Wide array of products such as:
5. PCs, Networking, Notebooks, Netbooks, PDAs
6. Tablet Computers, E-readers
7. Computer Peripherals, Hard Drives, CD/DVD ROM
8. TV, DVD, DVR, Set Top Box
9. Cell Phones, Personal Navigation / GPS
10. MP3 Players ,Cameras, Video Recorders
Pin Assignments

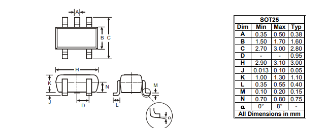
Package Outline Dimensions
