Can ship immediately
Due to market price fluctuations,if you need to purchase or consult the price.You can contact us or emial to us: brenda@hongda-ic.com
1. Describe
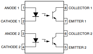
These devices are emitted by two gallium arsenide infrared The diode is optically coupled to two monolithic silicon phototransistors The detector adopts a small-outline plastic package that can be surface-mounted. They are very suitable for high-density applications and do not require board installation.
2. Features
1. Closely Matched Current Transfer Ratios
2. Minimum BVCEO of 70 V Guaranteed
– MOCD207M, MOCD208M, MOCD213M
3. Minimum BVCEO of 30 V Guaranteed
– MOCD211M, MOCD217M
4. Low LED Input Current Required for Easier Logic Interfacing
– MOCD217M
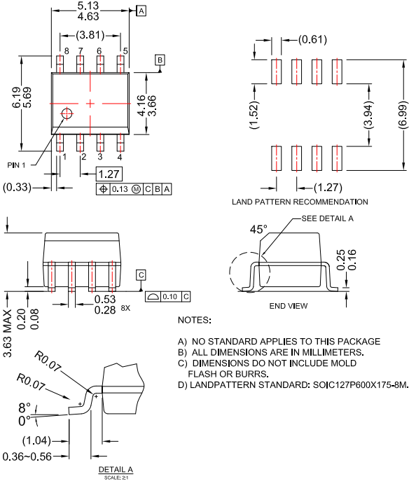
5. Convenient Plastic SOIC−8 Surface Mountable Package Style, with 0.050″ Lead Spacing
6. Safety and Regulatory Approvals:
– UL1577, 2,500 VACRMS for 1 Minute
– DIN−EN/IEC60747−5−5, 565 V Peak Working Insulation Voltage
7. These are Pb−Free Devices
3. Applications
1. Feedback Control Circuits
2. Interfacing and Coupling Systems of Different Potentials and Impedances
3. General Purpose Switching Circuits
4. Monitor and Detection Circuits
4. Pin configuration

5. PACKAGE DIMENSIONS
