Can ship immediately
Due to market price fluctuations,if you need to purchase or consult the price.You can contact us or emial to us: brenda@hongda-ic.com
1. Description
The Texas Instruments MSP430 family of ultralow-power microcontrollers consists of several devices featuring different sets of peripherals targeted for various applications. The architecture, combined with five low-power modes, is optimized to achieve extended battery life in portable measurement applications. The devices feature a powerful 16-bit RISC CPU, 16-bit registers, and constant generators that contribute to maximum code efficiency. The digitally controlled oscillator (DCO) allows wake-up from low-power modes to active mode in less than 6s.
The MSP430F471xx series are microcontroller configurations targeted to single-phase and poly-phase electricity meters with three, six, or seven 16-bit sigma-delta A/D converters. Each channel has a differential input pair and programmable input gain. Also integrated are two 16-bit timers, four universal serial communication interfaces (USCI), DMA, 68 I/O pins, and a liquid crystal driver (LCD) with integrated contrast control.

2. Features and functions
Low supply voltage range: 1.8 V to 3.6 V
1. ultra low power consumption
-Active mode: 350μA at 1 MHz and 2.2 V
-Standby mode: 1.1μA
-Off mode (RAM retention): 0.2μA
2. Five power saving modes
3. wake up from standby mode in less time Over 6 s
4. 16-bit RISC architecture,62.5 ns instruction cycle time
5. three-channel internal DMA
6. Three, six or seven 16-bit Sigma-Delta Analog-to-digital (A/D) converter with the following functions Differential PGA input
7. 16-bit Timer_B, with three Capture/compare shadow register
8. 16-bit Timer_A with three Capture/compare register
9. on-chip comparator
10. four-way universal serial communication
Interface (USCI) module
-USCI_A0 and USCI_A1
-Enhanced UART support
Automatic baud rate detection
-IrDA encoder and decoder
-Synchronous SPI
-USCI_B0 and USCI_B1
-I2C
-Synchronous SPI
11. integrated LCD driver with contrast Control up to 160 segments
12. basic timer with real-time clock function
13. 32-bit hardware multiplier
14. power failure detector
15. power supply voltage monitor/monitor Programmable level detection
16. serial onboard programming,No external programming voltage required Protected by secure programmable codes fuse
17. Bootloader
18. on-chip simulation module
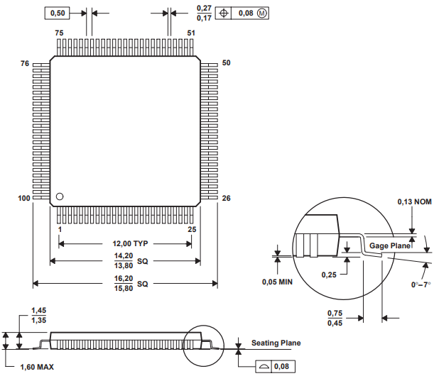
19. provides 100-pin plastic quadrilateral Flatpack (QFP) packaging
3. MSP430F471x7IPZ, pin

4. Packaging Information
