Can ship immediately
Due to market price fluctuations,if you need to purchase or consult the price.You can contact us or emial to us: brenda@hongda-ic.com
1. Description
This high voltage MOSFET uses an advanced termination scheme to provide enhanced voltage−blocking capability without degrading performance over time. In addition, this Power MOSFET is designed to withstand high energy in the avalanche and commutation modes. The energy efficient design also offers a drain−to−source diode with a fast recovery time. Designed for high voltage, high speed switching applications in power supplies, converters and PWM motor controls, these devices are particularly well suited for bridge circuits where diode speed and commutating safe operating areas are critical and offer additional safety margin against unexpected voltage transients.
2. Features
1. Robust High Voltage Termination
2. Avalanche Energy Specified
3. Source−to−Drain Diode Recovery Time Comparable to a Discrete Fast Recovery Diode
4. Diode is Characterized for Use in Bridge Circuits
5. IDSS and VDS(on) Specified at Elevated Temperature
6. This is a Pb−Free Device*
3. Pin configuration

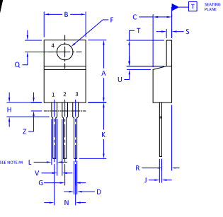
4. PACKAGE DIMENSIONS
