Can ship immediately
Due to market price fluctuations,if you need to purchase or consult the price.You can contact us or emial to us: brenda@hongda-ic.com
1. Describe
The P-channel enhancement mode field effect transistor (FET) is housed in a small SOT23 (TO-236AB) surface mount device (SMD) plastic package using Trench MOSFET technology.
2. Features
1. Logic level compatible
2. Trench MOSFET Technology
3. very fast switching
4. AEC-Q101 qualified
3. Application
1. High-side load switch
2. High-speed line driver
3. Relay driver
4. Switching circuit
4. Pin configuration

5. Pin Description

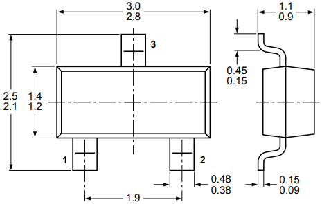
6. Package outline
