Can ship immediately
Due to market price fluctuations,if you need to purchase or consult the price.You can contact us or emial to us: brenda@hongda-ic.com
1. Describe
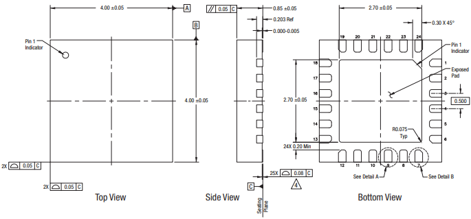
SE2435L is a high-performance, highly integrated RF The front-end module is designed for high-power industrial, scientific, Medical (ISM) band applications operating in the 860 to 930 MHz range Frequency Range. SE2435L is designed for ease of use and maximum flexibility With fully matched 50 Ω TX and RX input and antenna output, And digital control compatible with 1.6 to 3.6 V CMOS level. The RF module is available from 2.0 Up to 4.8 V, allowing SE2435L to be used for battery power Wide application of battery discharge curve. The SE2435L is available in a 24-pin, 4 x 4 mm quad flat no-lead (QFN) package.
2. Features
1. Integrated PA with +30 dBm output power
2. Integrated LNA with programmable bypass
3. Integrated antenna switching with transmit/receive diversity function
4. Low FEM noise figure of 2 dB, typical
5. Single-ended 50 Ω transmit/receive RF interface
6. Fast turn-on/turn-off time: < 1 μsec
7. Supply voltage: 2.0 to 4.8 V
8. Sleep mode current: < 1 μA
9. QFN (24-pin, 4 x 4 x 0.9 mm ) NiPdAu plated package (MSL1, 260 °C per JEDEC J-STD-020)
3. Applications
1. Internet of Things
2. Smart meters
3. In-home appliances
4. Smart thermostats
5. Industrial applications
4. Package overview
