Can ship immediately
Due to market price fluctuations,if you need to purchase or consult the price.You can contact us or emial to us: brenda@hongda-ic.com
1. Description
This technical note discusses pin output, package outline, land Pattern, evaluation board layout and thermal performance For single channel LITTLE FOOT power MOSFET SC-70 package. These new Vishay Siliconix devices are Suitable for miniaturized small signal applications Requires packaging and low current levels (approximately 350 mA) Need to switch directly or use level shift Configuration. Vishay provides these single devices On-resistance specification range and traditional 3-pin and new 6-pin version. New 6-pin SC-70 package Can increase the on-resistance value and enhance Thermal performance compared to 3-pin package.
2. Feature
1. TrenchFET® Power MOSFET
2. 100% Rg test
3. Typical ESD performance 1800 V
3. Application
1. Smart phones, tablets
- DC/DC converter
- Boost converter
- Load switch, OVP switch
4. Pin configuration

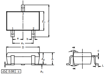
5. Package Information
