Can ship immediately
Due to market price fluctuations,if you need to purchase or consult the price.You can contact us or emial to us: brenda@hongda-ic.com
1. Description
The SM712 TVS Diode Array is designed to protect RS-485 applications with asymmetrical working voltages (-7V to 12V) from damage due to electrostatic discharge (ESD), electrical fast transients (EFT), and lightning induced surges. The SM712 can absorb repetitive ESD strikes above the maximum level specified in the IEC 61000-4-2 international standard without performance degradation and safely dissipate up to 19A of 8/20us induced surge current (IEC61000-4-5 2nd edition) with very low clamping voltages.
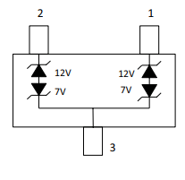
2. Pin assignment

3. Features
1. RoHS compliant and lead-free
2. ESD, IEC 61000-4-2,±30kV contact, ±30kV air
3. EFT, IEC 61000-4-4, 50A (5/50ns)
4. Lightning, IEC 61000- 4-5 2nd edition, 19A (tP=8/20μs)
5. Working Voltages: -7V to 12V
6. Low clamping voltage
7. Low leakage current
8. AEC-Q101 Qualified
4. Applications
1. RS-485
2. Fieldbus
3. Modbus
4. Profibus
5. DMX512
6. Security Systems
7. AutomatedTeller Machines(ATMs)
8. Lighting Control - DALI
9. Communication Equipments
5. Electrical Characteristics

6. Package Dimensions
