Can ship immediately
Due to market price fluctuations,if you need to purchase or consult the price.You can contact us or emial to us: brenda@hongda-ic.com
1. FEATURES
1. Available in uni-directional polarity only
2. 5000 W peak pulse power capability with a 10/1000 μs waveform
3. Excellent clamping capability
4. Very fast response time
5. Low incremental surge resistance
6. Meets MSL level 1, per J-STD-020, LF maximum peak of 260 °C
7. AEC-Q101 qualified
- Automotive ordering code: base P/NHM3 for SMC5K10A to SMC5K20A
2. Main features

3. Electrical characteristics

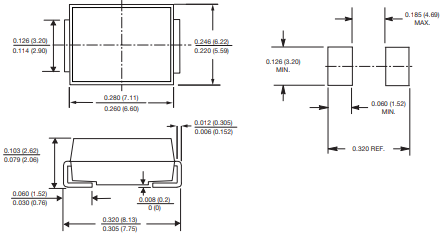
4. MECHANICAL DATA
1. Molding compound meets UL 94 V-0 flammability rating
2. Base P/N-M3 - halogen-free, RoHS-compliant
3. Base P/NHM3_X - halogen-free, RoHS-compliant, and AEC-Q101 qualified
4. Terminals: matte tin plated leads, solderable per J-STD-002 and JESD 22-B102
5. M3 suffix meets JESD 201 class 2 whisker test, HM3 suffix meets JESD 201 class 2 whisker test
6. SMC5K22A to SMC5K85A for industrial grade only
7. Polarity: color band denotes cathode end
5. Application
Voltage protection for sensitive electronic products Transients caused by inductive load switching and lighting IC, MOSFET, signal lines of consumer sensor units, Computers, industry, automobiles and telecommunications.
6. Package dimensions
