Can ship immediately
Due to market price fluctuations,if you need to purchase or consult the price.You can contact us or emial to us: brenda@hongda-ic.com
1. Description
These devices contain four independent 2-input exclusive-OR gates. They perform the Boolean function Y = A ⊕ B or Y = AB + AB in positive logic. A common application is as a true/complement element. If one of the inputs is low, the other input is reproduced in true form at the output. If one of the inputs is high, the signal on the other input is reproduced inverted at the output. The SN54F86 is characterized for operation over the full military temperature range of –55°C to 125°C. The SN74F86 is characterized for operation from 0°C to 70°C.
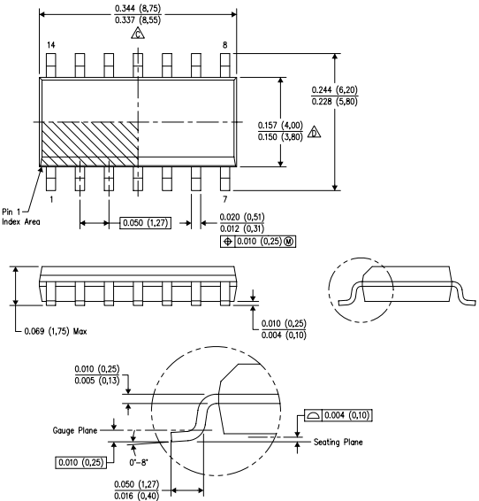
2. Package Options Include Plastic
- Small-Outline (D) Packages, Ceramic Chip
- Carriers (FK), and Standard Plastic (N) and
- Ceramic (J) 300-mil DIPs
3. Pin configuration

4. Package overview
