Can ship immediately
Due to market price fluctuations,if you need to purchase or consult the price.You can contact us or emial to us: brenda@hongda-ic.com
1. Description
The STM32F20x family is based on the high-performance Arm® Cortex®-M3 32-bit RISC core operating at a frequency of up to 120 MHz. The family incorporates high-speed embedded memories (Flash memory up to 1 Mbyte, up to 128 Kbytes of system SRAM), up to 4 Kbytes of backup SRAM, and an extensive range of enhanced I/Os and peripherals connected to two APB buses, three AHB buses and a 32-bit multi-AHB bus matrix. The devices also feature an adaptive real-time memory accelerator (ART Accelerator™) that allows to achieve a performance equivalent to 0 wait state program execution from Flash memory at a CPU frequency up to 120 MHz. This performance has been validated using the CoreMark® benchmark. All devices offer three 12-bit ADCs, two DACs, a low-power RTC, twelve general-purpose 16-bit timers including two PWM timers for motor control, two general-purpose 32-bit timers. a true number random generator (RNG). They also feature standard and advanced communication interfaces. New advanced peripherals include an SDIO, an enhanced flexible static memory control (FSMC) interface (for devices offered in packages of 100 pins and more), and a camera interface for CMOS sensors. The devices also feature standard peripherals.
1. Up to three I2Cs
2. Three SPIs, two I2Ss. To achieve audio class accuracy, the I2S peripherals can be clocked via a dedicated internal audio PLL or via an external PLL to allow synchronization.
3. Four USARTs and two UARTs
4. A USB OTG high-speed with full-speed capability (with the ULPI)
5. A second USB OTG (full-speed)
6. Two CANs
7. An SDIO interface
8. Ethernet and camera interface available on STM32F207xx devices only.
The STM32F205xx and STM32F207xx devices operate in the –40 to +105 °C temperature range from a 1.8 V to 3.6 V power supply. On devices in WLCSP64+2 package, if IRROFF is set to VDD, the supply voltage can drop to 1.7 V when the device operates in the 0 to 70 °C temperature range using an external power supply supervisor (see Section 3.16). A comprehensive set of power-saving modes enables the design of low-power applications. STM32F205xx and STM32F207xx devices are offered in various packages, ranging from 64 to 176 pins. The set of included peripherals changes with the chosen device.These features make the STM32F205xx and STM32F207xx microcontroller family suitable for a wide range of applications:
1. Motor drive and application control
2. Medical equipment
3. Industrial applications: PLC, inverters, circuit breakers
4. Printers, and scanners
5. Alarm systems, video intercom, and HVAC
6. Home audio appliances
2. Features
1. Core: Arm® 32-bit Cortex®-M3 CPU (120 MHz max) with Adaptive real-time accelerator (ART Accelerator™) allowing 0-wait state execution performance from Flash memory, MPU, 150 DMIPS/1.25 DMIPS/MHz (Dhrystone 2.1)
2. Memories
– Up to 1 Mbyte of Flash memory
– 512 bytes of OTP memory
– Up to 128 + 4 Kbytes of SRAM
– Flexible static memory controller that supports Compact Flash, SRAM, PSRAM, NOR and NAND memories
– LCD parallel interface, 8080/6800 modes
3. Clock, reset and supply management
– From 1.8 to 3.6 V application supply + I/Os
– POR, PDR, PVD and BOR
– 4 to 26 MHz crystal oscillator
– Internal 16 MHz factory-trimmed RC
– 32 kHz oscillator for RTC with calibration
– Internal 32 kHz RC with calibration
4. Low-power modes
– Sleep, Stop and Standby modes
– VBAT supply for RTC, 20 × 32 bit backup registers, and optional 4 Kbytes backup SRAM
5. 3 × 12-bit, 0.5 µs ADCs with up to 24 channels and up to 6 MSPS in triple interleaved mode
6. 2 × 12-bit D/A converters
7. General-purpose DMA: 16-stream controller with centralized FIFOs and burst support
8. Up to 17 timers
– Up to twelve 16-bit and two 32-bit timers, up to 120 MHz, each with up to four IC/OC/PWM or pulse counter and quadrature (incremental) encoder input
9. Debug mode: Serial wire debug (SWD), JTAG, and Cortex®-M3 Embedded Trace Macrocell™
10. Up to 140 I/O ports with interrupt capability:
– Up to 136 fast I/Os up to 60 MHz
– Up to 138 5 V-tolerant I/Os
11. Up to 15 communication interfaces
– Up to three I2C interfaces (SMBus/PMBus)
– Up to four USARTs and two UARTs (7.5 Mbit/s, ISO 7816 interface, LIN, IrDA, modem control)
– Up to three SPIs (30 Mbit/s), two with muxed I2S to achieve audio class accuracy via audio PLL or external PLL
– 2 × CAN interfaces (2.0B Active)
– SDIO interface
12. Advanced connectivity
– USB 2.0 full-speed device/host/OTG controller with on-chip PHY
– USB 2.0 high-speed/full-speed device/host/OTG controller with dedicated DMA, on-chip full-speed PHY and ULPI
– 10/100 Ethernet MAC with dedicated DMA: supports IEEE 1588v2 hardware, MII/RMII
13. 8- to 14-bit parallel camera interface (48 Mbyte/s max.)
14. CRC calculation unit
15. 96-bit unique ID
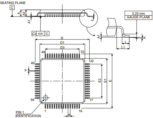
3. Pin configuration

4. Product Size
