Can ship immediately
1. Description
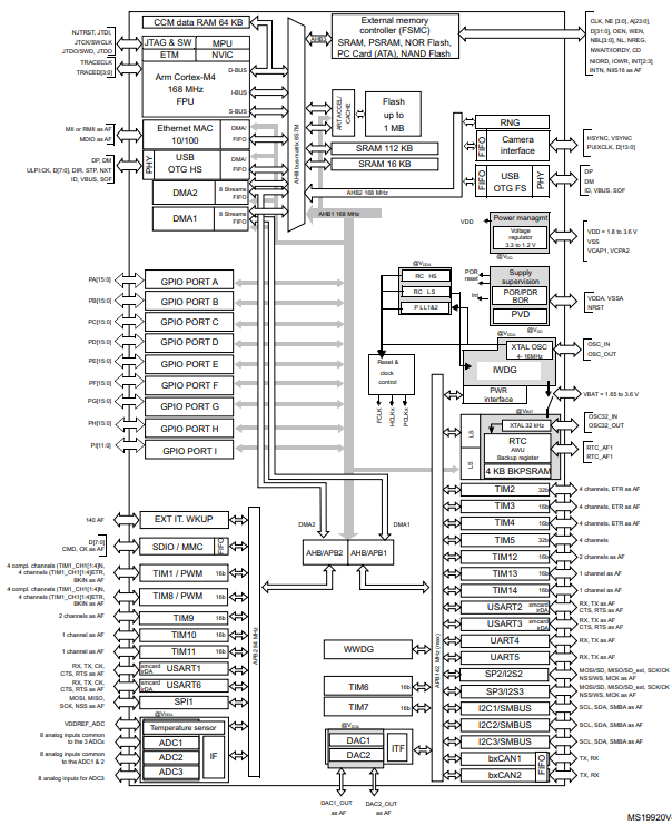
The STM32F407VET6 is based on the high-performance Arm® Cortex®-M4 32-bit RISC core operating at a frequency of up to 168 MHz. The Cortex-M4 core features a Floating point unit (FPU) single precision which supports all Arm singleprecision data-processing instructions and data types. It also implements a full set of DSP instructions and a memory protection unit (MPU) which enhances application security.
The STM32F407VET6 family incorporates high-speed embedded memories (Flash memory up to 1 Mbyte, up to 192 Kbytes of SRAM), up to 4 Kbytes of backup SRAM, and an extensive range of enhanced I/Os and peripherals connected to two APB buses, three AHB buses and a 32-bit multi-AHB bus matrix.
All devices offer three 12-bit ADCs, two DACs, a low-power RTC, twelve general-purpose 16-bit timers including two PWM timers for motor control, two general-purpose 32-bit timers. a true random number generator (RNG). They also feature standard and advanced communication interfaces.
1. Up to three I2Cs
2. Three SPIs, two I2Ss full duplex. To achieve audio class accuracy, the I2S peripherals can be clocked via a dedicated internal audio PLL or via an external clock to allow synchronization.
3. Four USARTs plus two UARTs
4. An USB OTG full-speed and a USB OTG high-speed with full-speed capability (with the ULPI),
5. Two CANs
6. An SDIO/MMC interface
7. Ethernet and the camera interface available on STM32F407xx devices only.
New advanced peripherals include an SDIO, an enhanced flexible static memory control (FSMC) interface (for devices offered in packages of 100 pins and more), a camera interface for CMOS sensors. The STM32F407VET6 family operates in the –40 to +105 °C temperature range from a 1.8 to 3.6 V power supply. The supply voltage can drop to 1.7 V when the device operates in the 0 to 70 °C temperature range using an external power supply supervisor: refer to Section : Internal reset OFF. A comprehensive set of power-saving mode allows the design of low-power applications.
The STM32F407VET6 family offers devices in various packages ranging from 64 pins to 176 pins. The set of included peripherals changes with the device chosen. These features make the STM32F407VET6 microcontroller family suitable for a wide range of applications:
1. Motor drive and application control
2. Medical equipment
3. Industrial applications: PLC, inverters, circuit breakers
4. Printers, and scanners
5. Alarm systems, video intercom, and HVAC
6. Home audio appliances
2. Features
1. Core: Arm® 32-bit Cortex®-M4 CPU with FPU, Adaptive real-time accelerator (ART Accelerator) allowing 0-wait state execution from Flash memory, frequency up to 168 MHz, memory protection unit, 210 DMIPS/1.25 DMIPS/MHz (Dhrystone 2.1), and DSP instructions
2. Memories
– Up to 1 Mbyte of Flash memory
– Up to 192+4 Kbytes of SRAM including 64- Kbyte of CCM (core coupled memory) data RAM
– 512 bytes of OTP memory
– Flexible static memory controller supporting Compact Flash, SRAM, PSRAM, NOR and NAND memories
3. LCD parallel interface, 8080/6800 modes
4. Clock, reset and supply management
– 1.8 V to 3.6 V application supply and I/Os
– POR, PDR, PVD and BOR
– 4-to-26 MHz crystal oscillator
– Internal 16 MHz factory-trimmed RC (1% accuracy)
– 32 kHz oscillator for RTC with calibration
– Internal 32 kHz RC with calibration
5. Low-power operation
– Sleep, Stop and Standby modes
– VBAT supply for RTC, 20×32 bit backup registers + optional 4 KB backup SRAM
6. 3×12-bit, 2.4 MSPS A/D converters: up to 24 channels and 7.2 MSPS in triple interleaved mode
7. 2×12-bit D/A converters
8. General-purpose DMA: 16-stream DMA controller with FIFOs and burst support
9. Up to 17 timers: up to twelve 16-bit and two 32- bit timers up to 168 MHz, each with up to 4 IC/OC/PWM or pulse counter and quadrature (incremental) encoder input
10. Debug mode
– Serial wire debug (SWD) & JTAG interfaces
– Cortex-M4 Embedded Trace Macrocell™
11. Up to 140 I/O ports with interrupt capability
– Up to 136 fast I/Os up to 84 MHz
– Up to 138 5 V-tolerant I/Os
12. Up to 15 communication interfaces
– Up to 3 × I2C interfaces (SMBus/PMBus)
– Up to 4 USARTs/2 UARTs (10.5 Mbit/s, ISO 7816 interface, LIN, IrDA, modem control)
– Up to 3 SPIs (42 Mbits/s), 2 with muxed full-duplex I2S to achieve audio class accuracy via internal audio PLL or external clock
– 2 × CAN interfaces (2.0B Active)
– SDIO interface
13. Advanced connectivity
– USB 2.0 full-speed device/host/OTG controller with on-chip PHY
– USB 2.0 high-speed/full-speed device/host/OTG controller with dedicated DMA, on-chip full-speed PHY and ULPI
– 10/100 Ethernet MAC with dedicated DMA: supports IEEE 1588v2 hardware, MII/RMII
14. 8- to 14-bit parallel camera interface up to 54 Mbytes/s
15. True random number generator
16. CRC calculation unit
17. 96-bit unique ID
18. RTC: subsecond accuracy, hardware calendar
3. Functional overview

4. STM32F407VET6 LQFP100 pinout
