Can ship immediately
Due to market price fluctuations,if you need to purchase or consult the price.You can contact us or emial to us: brenda@hongda-ic.com
1. Description
This series of Zener diodes are packaged on the surface of SOD-323 Mounted package with a power consumption of 300 mW. they are Designed to provide voltage regulation protection, especially Attractive when space is limited. they are very good Suitable for cellular phones, handheld portable devices, And high-density PC board.
2. Specifications and characteristics
1. Standard Zener breakdown voltage range -2.4 V to 75 V
2. Steady-state power rating is 300 mW
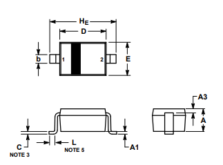
3. Body size: 0.067 inches x 0.049 inches (1.7 mm x 1.25 mm)
4. Low ride height: 0.035 inches (0.9 mm)
5. Package weight: 4.507 mg/unit
6. The ESD level of each human body model is level 3 (> 16 kV)
7. Suitable for automobiles and other unique SZ prefixes Site and control change requirements; passed AEC-Q101 certification and With PPAP
8. These are lead-free devices*
3. Mechanical characteristics
1. Case: No voids, transfer molded plastic
2. Finishing: all outer surfaces are corrosion-resistant
3. Maximum shell temperature for welding purposes: 260°C for 10 seconds
4. Lead: tin-plated or tin-only (lead-free)
5. Polarity: the cathode represented by the polarity band
6. Flammability rating: UL 94 V-0
7. Installation location: Any
4. ELECTRICAL CHARACTERISTICS

5. PACKAGE DIMENSIONS
