Can ship immediately
Description
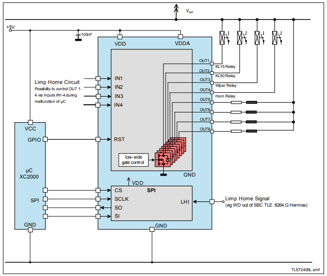
The SPIDER - TLE 7240SL is a eight channel low-side switch in PG-SSOP-24-7 package providing embedded protective functions.
It is especially designed as relay driver in automotive applications.
A serial peripheral interface (SPI) is utilized for control and diagnosis of the device and the load.
For direct control and PWM there are four input pins available.
The device is monolithically integrated. The power transistors are built by N-channel MOSFETs.
Detailed Description
The SPIDER - TLE 7240SL is a eight channel low-side relay switch designed for typical automotive relays providing embedded protective functions. The PG-SSOP-24-7 package is used to get a footprint optimized solution. The 16 bit serial peripheral interface (SPI) is utilized for control and diagnosis of the device and the loads.
The SPI interface provides daisy chain capability.
The SPIDER - TLE 7240SL is equipped with four input pins that can be individually routed to the output control of their dedicated channels thus offering flexibility in design and PCB layout. The input multiplexer is controlled via SPI.
There is a dedicated limp home pin LHI which provides a straightforward usage of the input pins as dedicated driver for four outputs.
The device provides full diagnosis of the load, which is open load as well as short circuit detection. The SPI diagnosis bits indicate latched fault conditions that may have occurred.
Each output stage is protected against short circuit. In case of over load, the affected channel switches off. There are temperature sensors available for each channel to protect the device in case of over temperature.
The device is supplied by two power supply lines. The analog supply supports 5 V, the digital supply offers a very wide flexibility in supply voltage ranging from 3.0 V up to 5.5 V.
The power transistors are built by N-channel vertical power MOSFETs. The inputs are ground referenced CMOS compatible. The device is monolithically integrated in Smart Power Technology.
In terms of PCB layout improvement, all output pins are available at one side of the device. The other side bundles the signals to the micro-controller.
Pin Assignment

Eatures
1. 4 input pins providing flexible PWM configuration
2. Limp home functionality (direct driving) provided by a dedicated pin
3. 16 bit SPI for diagnostics and control
4. Daisy chain capability also compatible with 8bit SPI devices
5. Very wide range of digital supply voltage
6. Green Product (RoHS compliant)
7. AEC Qualified
Diagnostic Features
1. latched diagnostic information via SPI register
2. Overtemperature monitoring
3. Overload detection in ON state
4. Open load detection in OFF state
Protection Functions
1. Short circuit
2. Over load
3. Over temperature
4. Electrostatic discharge (ESD)
Application
1. All types of resistive, inductive and capacitive loads
2. Especially designed for driving relays in automotive applications
Application Diagram

PG-SSOP-24-7 (Plastic Dual Small Outline Package)
