Can ship immediately
Due to market price fluctuations,if you need to purchase or consult the price.You can contact us or emial to us: brenda@hongda-ic.com
1. Description
The TLE7258DXUMA1 is a transceiver for the Local Interconnect Network (LIN) with integrated wake-up and protection features. It is designed for in-vehicle networks using data transmission rates up to 20 kbps. The TLE7258D operate as a bus driver between the protocol controller and the physical bus of the LIN network. Compliant to all LIN standards and with a wide operational supply range the TLE7258D can be used in all automotive applications. In Sleep mode the TLE7258D draws typically less than 10 μA of quiescent current while still being able to wakeup when detecting LIN bus traffic. The very low leakage current on the BUS pin makes the TLE7258D especially suitable for partially supplied networks. Based on the Infineon BiCMOS technology the TLE7258D provides excellent ESD robustness together with a very high electromagnetic compatibility (EMC). The TLE7258D reaches a very low level of electromagnetic emission (EME) within a broad frequency range and independent from the battery voltage. The TLE7258D is AEC qualified and tailored to withstand the harsh conditions of the automotive environment.
2. Features
1. Single-wire LIN transceiver for transmission rates up to 20 kbps
2. Compliant to ISO 17987-4, LIN Specification 2.2A and SAE J2602
3. Compatible with MOST ECL and other single wire line driver interfaces with very low transmission rate down to 0 bps
4. Very low current consumption in Sleep mode with wake-up capability
5. Very low leakage current on the BUS pin
6. Digital I/O levels compatible with 3.3 V and 5 V microcontrollers
7. TxD protected with state check after mode change to Normal Operation mode
8. BUS short to VBAT protection and BUS short to GND handling
9. Over temperature protection and supply undervoltage detection
10. Very high ESD robustness, ± 10 kV according to IEC61000-4-2
11. Optimized for high electromagnetic compatibility (EMC); Very low emission and high immunity to interference
12. Available in leadless PG-TSON-8 package
13. PG-TSON-8 package supports Automated Optical Inspection (AOI)
14. Green Product (RoHS compliant)
15. AEC Qualified
3. Pin Assignment

4. Pin Functions

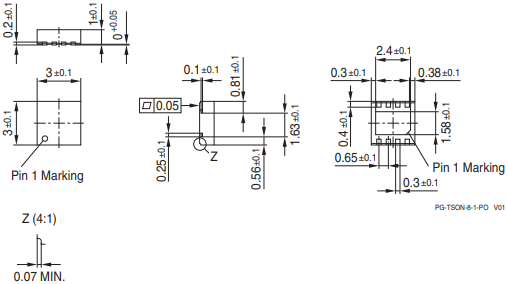
5. Package Outlines
