Can ship immediately
Due to market price fluctuations,if you need to purchase or consult the price.You can contact us or emial to us: brenda@hongda-ic.com
1. Description
The TPDV1240 series use a high performance alternistor technology. Featuring very high commutation levels and high surge current capability, this family is well adapted to power control on inductive load (motor, transformer...).
2. Features
1. On-state current (IT(RMS)): 40 A
2. Max. blocking voltage (VDRM/VRRM): 1200 V
3. Gate current (IGT): 200 mA
4. Commutation at 10 V/µs: up to 142 A/ms
5. Noise immunity: 500 V/µs
6. Insulated package:
– 2,500 V rms (UL recognized: E81734)
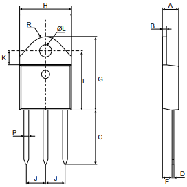
3. Package information

4. Electrical Characteristics
