Can ship immediately
Due to market price fluctuations,if you need to purchase or consult the price.You can contact us or emial to us: brenda@hongda-ic.com
1. Description
The EVA-M8E-0 module introduces u-blox's Untethered Dead Reckoning (UDR) technology in an ultra-compact EVA size. EVA provides designers with flexible options and placement methods Peripheral components: EVA-M8E only requires flash memory, inertial sensor and optional real-time clock (RTC) crystal. The sensor of EVA-M8E can be installed in The vehicle is not equipped. UDR brings the advantages of dead reckoning (DR) without the need for the vehicle to provide speed information. This greatly reduces the installation cost of the after-sales dead reckoning application, and Provide disaster recovery performance for applications that previously could only use GNSS. Advantages of UDR In the case of poor urban signal, it is especially obvious compared to GNSS alone In the environment, it can even continuously locate devices with installed antennas motorcycle. In the case of complete loss of signal, useful positioning performance can also be used, such as in parking lots and short tunnels. As long as the camera is turned on, UDR positioning will start immediately. This module was even before the first GNSS fix was available. Inertial sensing enables the vehicle to yaw and pitch Calculate and report directly. The intelligent combination of GNSS and sensor measurement can achieve accurate, real-time According to the needs of smooth and responsive interactive applications, positioning can be performed at a rate of up to 30 Hz. Home country High-speed sensor data can be relayed to the host, for example, driving behavior analysis or The reconstruction of the accident. EVA-M8E includes u-blox's latest generation GNSS receiver, which adds Galileo to the multi-constellation reception that already includes GPS, GLONASS, Beidou and QZSS. This module provides High sensitivity and fast GNSS signal acquisition and tracking. UART, USB, DDC (in accordance with I2C) and SSI interface option provides flexible connectivity and can be easily integrated with most u-blox Cellular module.
2. Product features

3. Block diagram

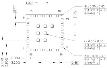
4. Mechanical specification

