Can ship immediately
Due to market price fluctuations,if you need to purchase or consult the price.You can contact us or emial to us: brenda@hongda-ic.com
1. Description
The EVA-M8M-0 GNSS module has the outstanding performance of the u-blox M8 concurrent positioning engine. The EVA-M8M-0 module provides high sensitivity and the shortest acquisition time in an ultra-compact EVA size. The EVA-M8M-0 series is an ideal solution for cost and space-sensitive applications. It is easy to design, and in most applications, only an external GNSS antenna is required. The layout of the EVA-M8M/Q series has been specially designed to simplify the customer’s design and limit the separation of the RF and digital domains, thereby limiting near-field interference. The EVA-M8M series uses a crystal oscillator to reduce system costs, while the EVA-M8Q with TCXO provides the best performance. Like other u-blox GNSS modules, the components used in the EVA-M8M/Q module are selected to function reliably over the entire operating temperature range. In addition, EVA-M8M/Q provides an SQI interface for optional external flash memory for future firmware upgrades and improved A-GNSS performance. The EVA-M8M/Q module supports message integrity protection, geofencing and spoofing detection. With the dual-frequency RF front-end, the u-blox M8 concurrent GNSS engine can intelligently use the GNSS system from the three largest visible satellites to achieve reliable positioning. Thanks to a QFN-like package, EVA-M8M/Q can be easily integrated into manufacturing. The module has a quantity of 500 pieces per roll, which is very suitable for small batch production. These modules combine advanced integrated functions and flexible connection options in a miniature package. This makes the EVA-M8M/Q module very suitable for small and cost-sensitive industrial and wearable devices. DDC (I2C compatible) interface can provide connection and achieve synergy with u-blox cellular module
2. Product features

3. Application areas
1. Unmanned vehicles
2. Navigation
3. Automotive
4. Wireless communication
5. Industrial
6. Power distribution
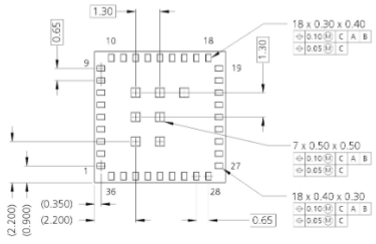
4. Mechanical specification

