Can ship immediately
Due to market price fluctuations,if you need to purchase or consult the price.You can contact us or emial to us: brenda@hongda-ic.com
1. Description
The SC14CVMDECTSF is a member of the Cordless Module family with integrated radio transceiver and baseband processor in a single package. It is designed for hosted and embedded cordless voice and data applications in the DECT frequency band. Its simple to use API commands allow easy setup of a wireless link between two or more nodes.
2. Feature
1. Support EU-DECT (some CAT-iq V2.0, v3.0), DECT6.0, applicable to DECT in North America and Japan
2. ETSI (EU-DECT) and FCC (DECT 6.0) certification
3. Comply with ETSI 300444 (DECT GAP)
4. Up to 64 portable parts or ULE devices registered Each fixed part
5. UART interface with external host
6. Can be controlled by API command set
7. Support voice and data
8. Radio frequency range: 1870 MHz to 1930 MHz
9. Receiver sensitivity <-93 dBm
10. Transmitting power
- European Union: 23 dBm: 1881 MHz-1897 MHz
- United States: 20 dBm: 1921 MHz-1928 MHz
- JP: 23 dBm: 1895 MHz-1903 MHz
11. Built-in antenna, support external antenna
12. Contains PP and FP functions
13. Program memory that can be used for custom software
14. Support for internal and external (hosted) applications
15. Power supply voltage: 2.1 V to 3.45 V
16. Support Ni-MH and alkaline batteries
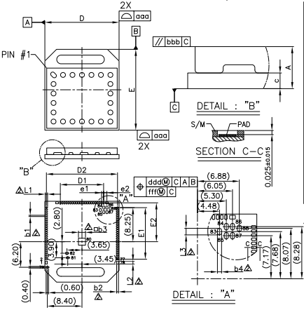
17. Compact size (19.6mm x 18.0mm x 2.7mm)
18. Operating temperature range: -40°C to +85°C
3. Applications
1. Cordless intercom
2. Cordless baby monitor
3. Wireless data applications up to 54 kbit/s
4. FP supports ULE sensors and actuators
4. Connection diagram

5. Product Size
